Замена масла и фильтра Kia Rio 3
Масло в двигателе следует заменять через каждый 15 тыс. км пробега.
Оригинальный масляный фильтр имеет артикул — 2630035503. Из аналогов можно выделить: MANN W81180, FILTRON P617, MAHLE C205 и др. Перед приобретением уточняйте их применимость.
Необходимый инструмент: масло, фильтр, обтирочная ткань, емкость (не менее 4,5 л) для сливаемого масла, ключ «на 13», торцовая головка или ключ «на 17», ключ для отворачивания масляного фильтра. 1. Снимите защиту картера двигателя (см. тут).

2. Поверните пробку маслоналивной горловины против часовой стрелки…
3. …и снимите ее.
4. Металлической щеткой, а потом обтирочной тканью очистите пробку сливного отверстия в поддоне масляного картера.
5. Ослабьте ключом затяжку пробки…
6. …выверните пробку, предварительно подставив емкость для сливаемого масла.
Проверьте состояние прокладки пробки сливного отверстия, если надо замените ее.
7. Отверните фильтр и снимите его.
8. Если фильтр невозможно отвернуть руками, строньте масляный фильтр с места специальным ключом…
9. …и снимите фильтр.
Для отворачивания фильтра пользуйтесь ключом. Если ключа или аналогичного съемника нет, можно воспользоваться и свернутой вдвое полоской грубой наждачной бумаги, обернув ею фильтр и стронув его с места руками.

10. Тщательно протрите тканью от грязи и старого масла привалочную поверхность фланца блока цилиндров.
11. Наполните новый масляный фильтр примерно на 1/3 объема чистым моторным маслом.
12. Смажьте уплотнительное кольцо фильтра новым моторным маслом
13. Заверните фильтр на место руками без применения инструмента на 3/4 оборота с момента соприкосновения уплотнительного кольца и фланца блока цилиндров. 14. Вверните пробку сливного отверстия
15. Влейте новое моторное масло.
16. Заверните пробку маслоналивной горловины. 17. Заведите мотор и дайте ему поработать на холостом ходу пару минут (сигнализатор аварийного падения давления масла должен погаснуть через 2-3 а после пуска двигателя). Во время работы двигателя проверьте, нет ли потеков масла из-под пробки сливного отверстия и масляного фильтра. Остановите двигатель, проверьте уровень масла, при необходимости долейте масло, подтяните пробку и фильтр.
Видео позволяет понять как происходит замена масла на Киа Рио 3.
Особенности выбора мотоциклетных катушек зажигания
Повышающими трансформаторами для искрообразования оснащаются не только автомобильные двигатели внутреннего сгорания, они присутствуют в:
- лодочных моторах;
- мопедах и мотоциклах;
- газонокосилках;
- бензопилах;
- электрических генераторах.
Если вы подбираете катушку зажигания для мопеда Верховина, обычно в нем устанавливалась Б-300, то обратите внимание, что устройство с похожим названием Б-300Б имеет меньшее количество витков в обмотке возбуждения. Поэтом замена Б-300 на Б-300Б невозможна
Обычно двигатель даже не заводится. Но если Б-300 заменить аналогичным устройством от мотоцикла ИЖ, мотор будет отлично работать.
Б-300
В советских мотороллерах типа «Муравей», «Турист» использовались бобины Б-51. От автомобильных устройств, она отличается, тем, что на первичную обмотку подается не 12, а 6 вольт. Своим устройством Б-51 ничем не отличается от других мотоциклетных катушек. Многие владельцы мотороллеров с катушками Б-51 меняют их на автомобильные 12-вольтовые. Коэффициента трансформации достаточно, что бы образовывать качественную искру, не хуже чем от Б-51.
Самостоятельная проверка катушки зажигания
Чтобы самостоятельно проверить исправность катушки зажигания, автовладельцу потребуется бытовой мультиметр.
Последовательность проверки
- Катушка зажигания снимается с автомобиля. Все провода с неё снимаются.
- Оба контакта мультиметра подключаются к первичной обмотке катушки. Замеряется сопротивление обмотки. Пример: при комнатной температуре сопротивление первичной обмотки на катушке Б117А составляет 2.5 – 3.5 Ом. Первичная обмотка катушки 27.3705 при той же температуре должна иметь сопротивление не более 0.4 Ом.
- Теперь контакты мультиметра подключаются к высоковольтным выходам на вторичной обмотке. Вторичная обмотка катушки Б117А при комнатной температуре должна иметь сопротивление от 7 до 9 кОм. Вторичная обмотка катушки 27.3705 должна иметь сопротивление в 5 кОм.
- Если все вышеперечисленные значения соблюдаются, катушку зажигания можно считать исправной.
Параметры надежности катушки зажигания
Прежде чем приобрести новую бобину попробуйте выяснить ее надежность, по отзывам владельцев. Поинтересуйтесь пробегом, который выдержало устройство, не изменилась ли приемистость двигателя и расход топлива, максимальная скорость и выхлоп CO.
Конструкция катушки должна обеспечивать:
- надежную изоляцию между обмотками и витками;
- высокое электрическое сопротивление между корпусом и массой;
- прочность корпуса, особенно пластиковых деталей;
- отсутствие микротрещин;
- надежность электрических контактов и соединений.
Качественная бобина выдерживает температуру до 180°C.
Замена катушки зажигания на автомобиле ВАЗ 2107
Для выполнения замены катушки нам потребуются следующие инструменты:
- новая катушка зажигания;
- торцовые головки на 10 и 8 с воротком;
- отвёртка плоская.
Последовательность замены катушки
- Открывается капот машины, с аккумулятора рожковым ключом на 10 снимаются обе клеммы.
-
С катушки снимается главный высоковольтный провод. Это делается вручную, провод нужно с небольшим усилием потянуть вверх.
-
На катушке есть две клеммы с проводами. Гайки на клеммах откручиваются торцовой головкой на 8, провода снимаются.
- Открывается доступ к двум крепёжным гайкам катушки. Они откручиваются торцовым ключом на 10.
-
Катушка снимается, заменяется новой, после чего производится обратная сборка системы зажигания автомобиля.
Итак, замена катушки зажигания не является сверхсложной задачей и вполне по силам даже начинающему водителю. Главное — соблюдать вышеуказанную последовательность действий, а перед началом работ — не забыть снять клеммы с аккумулятора.
Характеристики популярных катушек зажигания
| Катушка зажигания | Коэффициент трансформации | Конструктивные особенности | Применяемость катушек зажигания |
|---|---|---|---|
| Б114-Б | 227 | Р, М, ДР | ЗиЛ-130, 131; ГАЗ-56, 66, 3102; ПАЗ, КАвЗ |
| Б115-В | 88 | Р, М, ДР | М-412, 2140, 2141; ГАЗ-24; ЗАЗ-968 и др. |
| Б116 | 153 | Р, М, ДР | ГАЗ-2410, 31029 |
| Б117 | 78.5 | Р,М | ВАЗ-2101,…07, 2121 |
| Б118 | 115 | Р, М, Э, ДР | ЗиЛ-131; ГАЗ-66 и др. |
| 27.3705 | 82 | Р, М | ВАЗ-2104,…09, 2121; М-2141; ЗАЗ-1102 |
| 29.3705 | 90 | Р, С | ВАЗ-2108, 09 (МСУД); ВАЗ-1111; ВАЗ-2110 |
| 3009.3705 | 70 | З, С | ГАЗ-3302 (МСУД) |
| 3112.3705 | 80 | З, С | ВАЗ-2107,…12; ГАЗ-31029 |
| 8352.12 | Р, М | ВАЗ-2110,…12 |
Р — разомкнутый магнитопровод;
З — замкнутый магнитопровод;
М — маслонаполненная катушка;
С — сухая катушка;
Э — экранированная катушка;
ДР — катушка имеет добавочное сопротивление (0,9…1,0 Ом)
Бобины могут отличаться некоторыми незначительными нюансами, влияющими на слаженность работы двигателя. Например, бобина Б-115В может быть заменена на Б-117А. По характеристикам Б-115В и Б-117А практически идентичны. Но ток искрового разряда у Б-115В мощнее – 38 мА, а у Б-117А всего лишь – 30 мА. Мощная искра лучше, чем слабая, и замена Б-115В на Б-117А не приводит ни к каким негативным последствиям. Но владельцы автомобилей с тахометрами, обнаружат, что показания прибора не совпадают с действительными. Это происходит из-за отсутствия в 117 модели добавочного резистора. То есть, замена практически одинаковых приборов Б-115В на Б-117А, или наоборот, не всегда корректна.
Если в вашем автомобиле установлена катушка зажигания Б116, то следует знать, что они выпускаются в двух модификациях. Для контактных и бесконтактных систем. Модификации 03, 04 для бесконтактных.
В современных автомобилях чаще применяются индивидуальные катушки, для каждой свечи отдельно. Индивидуальные повышающие трансформаторы для каждой свечи значительно упрощают систему зажигания, исключая из электрической цепи модуль распределения
Наиболее популярными производителями подобных устройств являются:
- немецкая компания Бош;
- тайваньская Dynatec;
- итальянская
Но если первую компанию, Бош, можно считать генеральным разработчиком устройств, то вторые Dynatec и ERA изготавливают их клоны, но на достаточно высоком техническом уровне и по надежности почти не уступают оригиналу, несмотря на более низкую цену.
Признаки неисправности катушки зажигания.
Поскольку катушка зажигания отвечает за генерирование искры, с помощью которой запускается двигатель автомобиля, любая ее неисправность быстро отразится на работе двигателя. Можно выделить следующие признаки неисправности катушки зажигания:
- Горит индикатор проверки двигателя. Поскольку неисправная катушка зажигания непосредственным образом влияет на работу двигателя, любая ее неполадка станет причиной включения индикатора проверки двигателя.
- Повышенный расход топлива. При снижении мощности искры процесс сгорания топлива будет не столь эффективным, что приведет к заметному увеличению его расхода.
- Прострел в выхлопной системе. Часто ранним признаком отказа катушки зажигания является прострел, возникающий, когда топливо, не сгоревшее в камере сгорания, попадает в выхлопную систему. Если не устранить эту неисправность, выхлопная система может получить значительные повреждения.
- Остановка двигателя. Неисправная катушка зажигания будет подавать ток на свечи зажигания с перебоями, что может привести к остановке двигателя. Это также может стать причиной невозможности запуска двигателя.
- Пропуски зажигания. Из-за недостаточной мощности, развиваемой одним или несколькими цилиндрами, в двигателе могут возникать пропуски зажигания, особенно во время набора скорости.
- Проблемы с запуском двигателя. Аналогичным образом, если на одну или несколько свечей зажигания не подается достаточного заряда, двигатель будет очень сложно завести. Автомобили с одной катушкой зажигания могут в этом случае вообще не завестись.
Выбор катушки для бензопилы
Если вы владелец популярной тайваньской бензопилы Штиль: MS170, MS180, 017 или 018 и активно с ней работаете, то возможно уже столкнулись с проблемой выхода из строя магнето. Компания Штиль комплектует эти бензопилы одними и теми же катушками CH000013-5. Катушки Штиль 180 зарекомендовали себя достаточно надежными устройствами, поэтому не следует заменять Штиль 180 аналогом, кроме крайних случаев. Практика показала, что аналоги бобин 180 неизвестных производителей не выдерживают и двух рабочих недель. В то же время, оригинальные модели держаться не один год, даже при интенсивной загрузке. Также 180-е катушки неплохо служат на других китайских бензопилах.
Штиль 180
Приобретая катушку зажигания, следует в первую очередь обращать внимание на ее характеристики, учитывать влияние их несоответствия на работу двигателя и выбирать изделие из известных брендов. Если вы выбрали аналог, то будьте готовы к тому, что придется перестраивать некоторые параметры системы зажигания
Коротко о зажигании
Чтобы понять зачем в автомобиле бобина (это народное название), и какое участие она принимает в обеспечении движения, надо хотя бы обобщенно понять устройство систем зажигания.

Упрощенная схема работы бобины приведена ниже.
Плюсовой вывод катушки подключен к положительной клемме аккумулятора, а другим выводом она соединяется с распределителем напряжения. Такая схема подключения является классической и широко применяется на машинах семейства ВАЗ. Для полноты картины необходимо сделать ряд уточнений:
- Распределитель напряжения является неким диспетчером, подающим напряжение на тот цилиндр, в котором произошла фаза сжатия и должны воспламениться пары бензина.
- Работой катушки зажигания управляет коммутатор напряжения, его исполнение может быть механическим или электронным (бесконтактным).
Механические устройства использовались в старых автомобилях: на ВАЗ 2106 и подобных, но сейчас они практически полностью вытеснены электронными.
Подготовка к выполнению регулировки
Чтобы добиться правильного положения головных световых приборов, процедуру настройки нужно выполнять в определенных условиях. Проведите следующие подготовительные работы:
- Отыщите ровную площадку без уклона, примыкающую к вертикальной стене. Один из подходящих вариантов – забетонированный подъезд к гаражу, роль настроечного шаблона сыграют ворота.
- Уберите из багажника и салона автомобиля лишние вещи, оставив только заводской комплект инструментов, аптечку и запасное колесо. Цель – обеспечить снаряженную массу транспортного средства, указанную в инструкции по эксплуатации.
- Проверьте давление во всех покрышках, при необходимости доведите его до нормы.
- Очистите стекла оптики от пыли и прочих загрязнений, перекрывающих путь световому потоку. Не используйте растворители, только жидкости для отмывания стекла на основе этилового спирта.
- Желательно заправить полный бак топлива, залить доверху емкости омывателей и при необходимости добавить антифриз в расширительный бачок.
На гаражных воротах либо примыкающей к площадке стене вычерчивается схема регулировки фар. Вам понадобится рулетка, длинная ровная планка и маркер. Цвет зависит от выбранного фона – для белой стены лучше взять черный фломастер, для темных ворот – мел. Схема рисуется следующим образом:
- Подгоните машину вплотную к стене. Ориентируясь по деталям кузова либо эмблеме марки авто, отметьте на поверхности точку, совпадающую с центральной (продольной) осью транспортного средства.
- Отмерьте от ворот 7 м и отгоните автомобиль на указанное расстояние. Через отмеченную точку проведите вертикальную линию.
- Сделайте 4 замера на машине: от ламп обеих фар до земли и до центра авто. На моделях, оснащенных раздельной оптикой дальнего и ближнего света, перечисленные замеры производятся для всех четырех лампочек отдельно.
- От цифры, обозначающей расстояние до земли, отнимите 50 мм. Отложите данный размер на стенке и прочертите горизонтальную линию.
- От вертикальной оси отложите вдоль нарисованной линии расстояния до центров ламп. Поставьте отметки в виде отрезков. Схема готова.
Перед корректировкой положения оптики также рекомендуется обработать настроечные винты проникающей аэрозольной смазкой типа WD-40, поскольку резьба соединения могла закиснуть из-за крайне редкого вращения. Как правило, регулировочные винты находятся на задней плоскости корпуса фары, выходящей в подкапотное пространство. Форма головки – под крестообразную отвертку, шестигранник либо специальный ключ.
Как сделать проверку катушки зажигания мультиметром
Возникает вопрос: «Как проверить катушку зажигания?». Мультиметром… Это, наверное, самый доступный способ.
Давайте рассмотрим, как прозвонить катушку зажигания мультиметром. Нужно поочередно проверить сопротивление первичной и вторичной обмоток. Не помешает проверить сопротивление и между выводами обмоток и корпусом. Сопротивление первичной обмотки должно попадать в диапазон от 0,3 до 2 Ом, вторичной – от 6 до 15 кОм. Сопротивление между выводами обмоток и корпусом должно стремиться к бесконечности. При отклонении значений измеренных сопротивлений обмоток от описанных диапазонов возможно межвитковое замыкание, если же сопротивление обмотки стремится к бесконечности – это верный признак обрыва провода в витке.
Коротко о зажигании
Перед монтажом БСЗ стоит проверить состояние кабелей высокого напряжения и свечей. Снимаем крышку трамблёра и поворачиваем вручную коленчатый вал до тех пор пока бегунок не окажется повёрнутым в сторону первого цилиндра на трамблёре, а метка на шкиве вала и средняя метка на крышке механизма газораспределения будут приблизительно одинаковыми. Допустимый зазор между электродами свечи проверяется щупом.
Направляя лампу на шкив, вы видите позицию метки и её изменение при увеличении оборотов. Аккумуляторная батарея Снабжает генератор электрическим током, обеспечивает пуск двигателя.
При небольшой силе тока в системе это не угрожает жизни, но удар электротоком можно получить весьма чувствительный. Предположим, в первом цилиндре происходит сжатие и искра нужна для воспламенения, а в четвертом фаза продувки и там образуется холостая искра.
Его величина зависит от оборотов коленчатого вала и нагрузки на силовой агрегат.
В этом случае прибор покажет сопротивление первичной обмотки автор видео — altevaa TV. Из-за этого в обмотке катушки зажигания вторичного типа появляется напряжение высоких значений, приходящее на свечу требуемого цилиндра.
Неисправности В случае неисправности катушки зажигания двигатель не пускается. Цена новой такой детали составляет около рублей, или даже немного подешевле.
Судя по показаниям прибора, мой случай показывает и подтверждает повторно, что с катушкой все нормально. При проведении внешнего осмотра необходимо протестировать корпус изделия на наличие грязе-пылевых отложений, течи масла, целостности поверхности и на устойчивость соединений и контактов электрической проводки.
Раскидываем провода зажигания

Коротко о зажигании
Чтобы понять зачем в автомобиле бобина (это народное название), и какое участие она принимает в обеспечении движения, надо хотя бы обобщенно понять устройство систем зажигания.

Упрощенная схема работы бобины приведена ниже.

Плюсовой вывод катушки подключен к положительной клемме аккумулятора, а другим выводом она соединяется с распределителем напряжения. Такая схема подключения является классической и широко применяется на машинах семейства ВАЗ. Для полноты картины необходимо сделать ряд уточнений:
- Распределитель напряжения является неким диспетчером, подающим напряжение на тот цилиндр, в котором произошла фаза сжатия и должны воспламениться пары бензина.
- Работой катушки зажигания управляет коммутатор напряжения, его исполнение может быть механическим или электронным (бесконтактным).
Механические устройства использовались в старых автомобилях: на ВАЗ 2106 и подобных, но сейчас они практически полностью вытеснены электронными.
Как проверить катушку зажигания
Основной параметр, по которому определяется работоспособность бобины, является сопротивление обмоток. Существуют усредненные показатели, говорящие о ее исправности. Хотя не всегда отклонения от нормы являются показателем неисправности.
С помощью мультиметра
С помощью мультиметра можно проверить катушку зажигания по 3 параметрам:
- сопротивление первичной обмотки;
- сопротивление вторичной обмотки;
- наличие короткого замыкания (пробой изоляции).
Первичную обмотку проверяем присоединив щупы к контактам Б и К.
| Тип катушки | Сопротивление, Ом |
|---|---|
| ВАЗ 2106 (контактная система) | 3,07-3,5 |
| 27.3705 (бесконтактная, М, Р) | 0,45± 0,05 |
| 3122.3705 (С, З) | 0,43± 0,04 |
| 8352.12 (М, Р) | 0,42± 0,05 |
| 027.3705 (М, Р) | 0,43± 0,04 |
| 27.3707-01 (М, Р) | 0,42± 0,05 |
| АТЕ1721 (М, Р) | 0,43± 0,05 |
| М – маслозаполненная | |
| С – сухая | |
| Р – разомкнутый магнитопровод | |
| З – замкнутый магнитопровод |
Измеряя «вторичку» подключаем один щуп к контакту Б, а второй к высоковольтному выводу.
| Тип катушки | Сопротивление, КОм |
|---|---|
| ВАЗ 2106 (контактная система) | 5,4-9,2 |
| 27.3705 (бесконтактная, М, Р) | 5±1 |
| 3122.3705 (С, З) | 4,08±0,4 |
| 8352.12 (М, Р) | 5±1 |
| 027.3705 (М, Р) | 5±1 |
| 27.3707-01 (М, Р) | 5±1 |
| АТЕ1721 (М, Р) | 5±1 |
Изоляцию замеряют через клемму Б и корпус катушки. Показания прибора должен быть не ниже 50 Мом.
Далеко не всегда у просто автолюбителя под рукой имеется мультиметр и опыт его использования, в дальней дороге проверка катушки зажигания указанным способом также недоступна.
Другие способы
Еще одним способом, особенно актуальным для старых автомобилей, в том числе и ВАЗах, будет проверка искры. Для этого центральный высоковольтный провод помещается на расстояние 5-7 мм от корпуса двигателя. Если при попытках завести машину проскакивает синяя или ярко-фиолетовая искра — бобина работает нормально. Если цвет искры более светлый, желтый, или она отсутствует вовсе, это может служить подтверждением ее поломки, либо неисправности провода.
Есть простой способ проверить систему с индивидуальными катушками. Если двигатель троит, нужно просто поочередно отсоединять питание катушек на заведенном двигателе. Отключили разъем и звук работы поменялся (машина задвоила) – катушка в порядке. Звук остался прежним – искра на свечу в этом цилиндре не поступает.
Коротко о зажигании
Чтобы понять зачем в автомобиле бобина (это народное название), и какое участие она принимает в обеспечении движения, надо хотя бы обобщенно понять устройство систем зажигания.

Упрощенная схема работы бобины приведена ниже.
Плюсовой вывод катушки подключен к положительной клемме аккумулятора, а другим выводом она соединяется с распределителем напряжения. Такая схема подключения является классической и широко применяется на машинах семейства ВАЗ. Для полноты картины необходимо сделать ряд уточнений:
- Распределитель напряжения является неким диспетчером, подающим напряжение на тот цилиндр, в котором произошла фаза сжатия и должны воспламениться пары бензина.
- Работой катушки зажигания управляет коммутатор напряжения, его исполнение может быть механическим или электронным (бесконтактным).
Механические устройства использовались в старых автомобилях: на ВАЗ 2106 и подобных, но сейчас они практически полностью вытеснены электронными.
Моторы Nissan Qashqai J11 (второе поколение)
На Ниссан Кашкай второй генерации также устанавливались бензиновые и дизельные ДВС объемом 1.2, 1.6 и 2.0 л. Речь идет о моторах H5FT, R9M и MR20DD.
1.2 бензин турбо H5FT

Nissan Qashqai H5FT 1.2 бензин
Бензиновый двигатель Ниссан Кашкай 2 1.2 л (маркировка H5FT) с непосредственным впрыском обладает следующими характеристиками:
- точный объем – 1197 куб см.;
- мощность – 100-132 л.с.;
- момент (Н*м при об./мин.) – 165/1750, 175/1500, 190/2000, 205/2000, 240/1600;
- степень сжатия – 10,1;
- ход поршня – 73,1 мм;
- диаметр цилиндра – 72,2 мм.
Фазорегуляторы установлены на обоих распредвалах. Цепь ГРМ растягиваться – при наличии металлического стука при пуске мотора ее лучше заменить. Это не единственная неприятность, которую может доставить агрегат.
Неприятности от мотора 1.2 H5FT
Двигатель H5FT, как и все силовые агрегаты, нуждается в регулярном обслуживании. Масляное голодание снижает ресурс до 200 тысяч (или еще больше). При своевременном ТО ремонта H5FT легко избежать.
Среди неприятностей владельцы отмечают:
- увеличенный расход масла;
- плавающие обороты;
- течи масла (сальник коленвала);
- поломка фазорегулятора;
- частые остановки мотора (загрязнение впускного коллектора, клапанов, топливного фильтра).
1.6 дизель R9M

Nissan Qashqai M9R дизель 2.0
Дизельный мотор с объемом 1.6 л обладает высоким крутящим моментом и экологичностью. R9M – марка двигателя, выпускаемая с 2011 года, поэтому мотор считается относительно новым. Параметры силовой установки таковы:
- мощность – 130-180 л.с.;
- степень сжатия R9M – 15,4;
- крутящий момент R9M – 320 Н*м;
- количество цилиндров – 4;
- клапанов на цилиндр – 4;
- система питания – непосредственный впрыск.
2.0 бензин MR20DD

Nissan Qashqai MR20DD 2.0 бензин
Бензиновый двухлитровый двигатель, применяемый на кроссоверах Ниссан Кашкай, обладает следующими характеристиками:
- мощность – 133-147 л.с.;
- объем – 1997 куб. см.;
- степень сжатия MR20DD – 10,2;
- крутящий момент MR20DD – 191-210 Н*м;
- ресурс MR20DD – 350-500 тысяч;
- количество цилиндров – 4;
- количество клапанов на цилиндр – 4.
Мотор производится с 2005 года. Система газораспределения – DOHC, а система питания – непосредственный впрыск.
Ремонт и обслуживание двигателя Qashqai 2.0 MR20DD

MR20DD
Регулярное обслуживание и бережная эксплуатация повышают срок службы ДВС. Ремонт понадобится, если стал наблюдаться повышенный расход масла (свыше 500 гр. на 1000 км), растянулась цепь (характерный стук под капотом), налицо плавающие обороты (неисправность топливной системы). Есть случаи появления трещин в ГБЦ при чрезмерном усилии во время закручивания свечей зажигания.
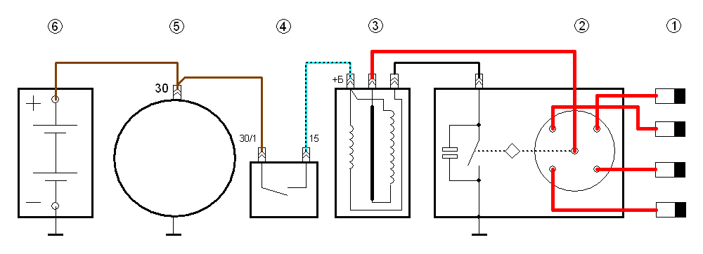
Как работает катушка зажигания?

Работа КЗ основана на проникновении электромагнитных полей между витками намотанного проводника. Для образования индукции в катушке есть первичная и вторичная обмотки. В последней образуется напряжение с высоким потенциалом, которое дает искру достаточной мощности. На первичную обмотку подаётся напряжение 12 В от бортовой электросети.
Образование магнитного возмущения в катушке происходит в момент разрыва низковольтной цепи. Управляет процессом механический или электронный прерыватель. В первом случае размыкание осуществляет эксцентрик, смонтированный на приводном валу трамблёра — устройства, которое отвечает за своевременное зажигание топливной смеси. Электронная система не имеет подвижных частей, управление катушкой осуществляет коммутатор.
Как проверить зажигания ВАЗ 2106 мультиметром
Для того чтобы проверить катушку мультиметром нам потребуется сам мультиметр и конечно же сама катушка зажигания. берём мультиметр выставляем 200-оМа далее проверяем клеммы (Б — К) сопротивления быть должно как минимум в приделах 04.0-оМа разброс сопротивления от 03.8 до 04.5-оМа это норма больше уже с катушкой явно что-то не то теперь надо проверить высоковольтную часть выставляем режим измерения 20-кЛом 1 любой щуп на клейму Б или К другой на высоковольтный контакт сопротивление 7.6 кЛом от 7 до 8 кЛом это является нормой Значит у вас катушка целая но также не забываем что может быть внутренний пробой катушки то есть пробой изоляции между высоковольтной и низковольтной обмоткой а также межвитковый и еще надо проверить на корпус то есть также на 20 кЛом оставляем на каждый контакт относительная массе проверяем потому что попадались катушки так проверяем всё нормально на корпус пробивает и если меж обмоточной и межвитковых замыканий нету то она будет функционировать.
Поделись своей историей
Плюсовой вывод катушки подключен к положительной клемме аккумулятора, а другим выводом она соединяется с распределителем напряжения.
В зависимости от типа и назначения катушки число витков лежит в пределах А теперь он экономит на бензине 35 рублей в год! Чтобы понять принцип работы, нужно знать устройство катушки зажигания и основы радиоэлектроники.
Измерительный прибор мультиметр нужно установить в позицию диапазона измерения сопротивления, затем, подсоединить разъемы проводов к соответствующим гнездам прибора. Так как вторичная обмотка состоит из очень большого числа витков, то ЭДС, наведенная во вторичной обмотке, достигает значительной величины в современных катушках — до В , с избытком достаточной для пробоя искрового промежутка в свечах зажигания.
Существует и другая схема подключения — на каждую свечу отдельный двухвыводной трансформатор, присоединенный одним изолированным проводом. Проверить ее можно либо с помощью омметра, измерив сопротивление, либо же установив новую и посмотреть, исправит ли это проблему! Центробежный регулятор — обеспечивает изменение угла ОЗ в соответствии с оборотами колен.
Схема катушки зажигания ВАЗ 2106 должна быть известна каждому владельцу
При подаче напряжения на первичную обмотку катушки зажигания, через первичную обмотку начинает течь ток, вследствие чего в сердечнике катушки изменяется величина магнитного потока. Далее, через стержень 2 и электрическое соединение 11, высокое напряжение вторичной обмотки поступает на контакт 9 центрального высоковольтного вывода 8 катушки зажигания. Обеспечение надежного крепления катушки к кузову автомобиля предупреждает появление механических повреждений и улучшает ее охлаждение. Конструкция с одним выводом не является единственно возможной, существуют и другие варианты.
Измерительный прибор мультиметр нужно установить в позицию диапазона измерения сопротивления, затем, подсоединить разъемы проводов к соответствующим гнездам прибора. Теперь ознакомимся с устройством катушки зажигания. Клемма вывода на первичной и вторичной обмотках; Пружина центральной клеммы; Наружная изоляция на первичной обмотке; Крепежная скоба; Наружный магнитопровод и сердечник. Вакуумный регулятор — производит корректировку угла ОЗ в зависимости от нагруженности силового агрегата и положения дроссельной заслонки.
Общие сведения
Таким вы точно будете уверены, что теперь проблем с ней нет, так как она абсолютно новая. Определяем, почему греется катушка зажигания Основная функция катушки заключается в преобразовании низковольтного напряжения, которое поступает от генератора или же аккумуляторной батареи, в высоковольтное.
Если же ток приходит на катушку зажигания при отсутствии искры, то необходимо протестировать резистентность обоих контуров обмоток изделия. Отсюда ясно, что замена импортных катушек зажигания отечественными возможна и вполне допустима. На сердечник надета изолирующая трубка 16, поверх которой намотана вторичная обмотка 4.
проверка катушки и камутатора ваз


















































