Устранение неисправностей механической трансмиссии Лада Веста
Для того чтобы устранить возможные неисправности трансмиссии, в большинстве случаев необходимо демонтировать коробку переключения передач вместе с сопряжёнными с ней элементами. Для этого, в первую очередь необходимо разобрать облицовку рычага переключения передач, после чего нужно установить автомобиль на подъёмнике, снять колёса и вытащить полуоси из поворотных кулаков. Далее остаётся открутить болты крепления КПП к двигателю и демонтировать КПП. Основные неисправности механизмов трансмиссии выявляются в следующем порядке:
- Проверка сцепления. Убедитесь в том, что ведомый диск в рабочем состоянии, лепестки «тарелки» не погнуты и выжимной подшипник цел.
- Убедитесь в отсутствии масляных подтёков в области сальников полуосей, первичного вала, а также в стыке корпуса коробки.
- Если с вышеперечисленным всё в порядке, значит проблема внутри коробки передач и её необходимо разобрать для детального осмотра.
Турбонаддув
Турбонаддув – это система, позволяющая увеличить максимальную мощность двигателя, используя для этого энергию выхлопных газов.
Первые турбины хотя и давали весьма ощутимую прибавку в мощности, но из-за своей громоздкости во много раз увеличивали и без того немаленький вес двигателей автомобилей тех лет.
Конструкторы со временем усовершенствовали технологию, сделав элементы системы более легковесными, одновременно повысив ее производительность. Но одним из существенных недостатков оставался повышенный расход топлива.
Конструкторам удалось решить одну из главных проблем турбодвигателя – расход топлива, ведь, как известно, дизельный агрегат менее «прожорливый», чем бензиновый.
Еще один несомненный плюс дизельного топлива – его отработанные газы имеют температуру ниже, чем бензиновые, стало быть, основные агрегаты системы турбонаддува можно было производить из менее тяжеловесных и жаростойких материалов.
Лада Калина, Приора и Гранта
Методика определения причин вибрации раздаточной коробки и пола кузова в зоне передних сидений
Прежде всего, отметьте, при какой скорости возникает вибрация раздаточной коробки, затем приступайте к определению причин вибрации.
Испытание 1
Установите рычаги раздаточной коробки и коробки передач в нейтральное положение и заведите двигатель.
Установите частоту вращения коленчатого вала двигателя, равную скорости движения автомобиля, при которой наступала вибрация.
Если на стоящем автомобиле вибрация сохраняется, то следует проверить крепление и состояние опор двигателя, так как они являются причиной вибрации.
Испытание 2
Если при испытании № 1 вибрация не обнаружена, то установите рычаги раздаточной коробки в нейтральное положение, заведите двигатель, включите в коробке передач прямую передачу и установите частоту вращения коленчатого вала двигателя, соответствующую скорости движения автомобиля, при которой наступала вибрация раздаточной коробки.
Если на стоящем автомобиле, при такой частоте вращения коленчатого вала, вибрация наблюдается, то ее причиной является неисправность промежуточного карданного вала (дисбаланс, изгиб болтов крепления или фланца эластичной муфты, заедание в карданном шарнире).
Испытание 3
Если при испытаниях 1 и 2 вибрация не обнаружена, переходите к испытанию 3.
Разгоните автомобиль до скорости, при которой наступает вибрация, и установите рычаги раздаточной коробки и коробки передач в нейтральное положение.
Если вибрация сохраняется, то ее причиной является неисправность переднего или заднего карданных валов‚ дисбаланс, заедание карданных шарниров или дисбаланс межосевого дифференциала.
Перед центрированием раздаточной коробки проверяем состояние опор силового агрегата и правильность их установки (центрирующие шайбы подушек двигателя должны входить в соответствующие отверстия боковых кронштейнов).
Устанавливаем раздаточную коробку на автомобиль, не затягивая до конца гайки крепления кронштейнов ее подвески.
Перемещая раздаточную коробку в продольном, поперечном и вертикальном направлении (подтягивая или ослабляя гайки ее крепления), добиваемся минимального и равномерного зазора между фланцами промежуточного вала и ведущего вала раздаточной коробки (фланцы должны быть на одном уровне и параллельны друг другу).
Зазор между полом кузова и опорами заполняем регулировочными прокладками и совмещаем центрирующие пояски фланцев, слегка сдвинув раздаточную коробку вперед (на величину зазора между фланцами).
Окончательно затягиваем гайки крепления опор раздаточной коробки.
При замене раздаточной коробки или смене четырехступенчатой коробки передач на пятиступенчатую и наоборот, а также при «осадке» задней подвески двигателя, вызвавшей вибрацию раздаточной коробки, необходимо подобрать и установить новую толщину прокладок 3 (рис. 1).
Классификация
Секвентальная коробка передач разделяется на КПП с применением сервопривода (с автоматикой или без) и КПП прямого действия, в основном распространенного на мотоциклах. Принцип работы последнего заключается в следующем: производится переход на одну верхнюю передачу соответственным передвижением рычага. Обратный алгоритм используется для перевода на нижнюю. Находится выключение между второй и первой передачами, осуществляется включение при помощи неполного отведения рычага.

Управление передачами на автомобилях производится рычагом, использующимся как переключатель, а также селектором режимов. Возможно применение «лепестков» или кнопок, находящихся на самом рулевом колесе. Дублированный принцип (рычаг+педаль) используется на тракторах.
Регулировка и ремонт сцепления
Дребезжание рычага на третьей передаче появляется по вине износа троса управления. А вибрации во время интенсивного разгона являются фирменным недостатком этой кпп.
В 2006 году, в США механику можно было заказать на 47% автомобилей из салона. В 2011 году их было уже 37%, а по итогам первой половины 2020 года всего о 27%.
Часто такая проблема встречается в автомобилях отечественного производства и в большинстве случаев она связана с тем, что из места крепления слетает трос механического сцепления. На самом деле, выявить это не особо сложно — при обрыве троса педаль будет утоплена в пол и не будет перемещаться.
В 2006 году, в США механику можно было заказать на 47% автомобилей из салона. В 2011 году их было уже 37%, а по итогам первой половины 2020 года всего о 27%.
Кулиса была отрегулирована плохо. Как известно, предназначение кулисы является очень важным в соединении коробки передач и селектора переключения скоростей, поэтому неверная регулировка вполне может быть причиной проблемы.
Пробег уже то ли 100 тысяч, то ли 200. Что с ней делалось точно не знаю. Те 40-60 тысяч, которые она у меня других проблем не было.
А вообще регулировка есть, где то снизу коробки. Совсем недавно читал запись про это. Боюсь теперь уже не найду.
Предварительный натяг в подшипниках 29 (0,25 мм) регулируется подбором толщины кольца 28, устанавливаемого в гнезде картера коробки передач под наружным кольцом подшипника дифференциала. К фланцу коробки дифференциала крепится ведомая шестерня главной передачи 27.
Когда начинают тяжело включаться скорости в автомобиле, это не только вызывает неприятное чувство, но и делает эксплуатацию машины небезопасным.
Видео. Как проверить термостат.
Схожий материал
Рекомендации по эксплуатации и обслуживанию МКПП
Долговечность и качество работы трансмиссии во многом зависит от того, как эксплуатируется коробка передач и сцепление. Продлить срок службы КПП, а значит — повысить комфорт, управляемость и безопасность автомобиля, несложно, для этого достаточно соблюдать несколько простых рекомендаций.

Главное в эксплуатации МКПП — плавное переключение передач с полным выжимом педали сцепления. Ни в коем случае не допускается переключение передач с неполным выключением сцепления, так как это приводит к ускоренному износу шестерен и повышает вероятность их поломки
Также очень важно двигаться на той передаче, которая наилучшим образом соответствует текущей скорости, а по возможности переключаться на прямую (обычно четвертую) передачу — в этом случае в передаче момента занято минимальное количество шестерен и два вала (в обход промежуточного), поэтому уменьшается износ деталей КПП
При переключении на пониженную передачу следует снижать скорость автомобиля, что также необходимо для снижения нагрузок на детали КПП и самого мотора. Ни в коем случае нельзя включать заднюю передачу даже при незначительной скорости движения автомобиля вперед — это обязательно приведет к повреждению КПП. И, наконец, если первая скорость не включилась сразу, то нужно сначала выжать сцепление (можно дважды), и лишь потом снова включить первую передачу. Далее переключение передач нужно выполнять плавно и с обязательной паузой между переключениями.
Механическая коробка передач имеет и особенности эксплуатации, о которых многие люди даже не догадываются. Например, в зимнее время года, особенно при значительных отрицательных температурах, не рекомендуется ставить автомобиль на стоянку с включенной передачей — в этом случае велик риск смерзания кольца синхронизатора, и при последующем пуске двигателя даже после выключения передачи автомобиль может тронуться. Также это чревато некоторыми неисправностями.
Большое значение для надежной работы коробки передач имеет и ее обслуживание. Во-первых, периодически после длительных и активных поездок нужно осматривать коробку передач на предмет появления потеков масла. Обычно потеки могут появляться в области заливной и сливной пробок, по периметру стыковки коробки к двигателю, между картером и крышкой КПП, а также (в случае зеднеприводного автомобиля) на фланце выходящего их коробка карданного вала.
Во-вторых, следует проверять уровень масла и при необходимости доливать его. Обычно проверка уровня масла проводится каждые 10-15 тысяч км пробега, а полная замена масла производится каждые 50-75 тысяч км пробега. Межсервисный интервал зависит от возраста автомобиля, в большинстве новых автомобилей в первые два-три года (а то и первые пять лет) масло вовсе не доливается, но далее проверку и долив масла нужно производить не реже, чем через каждые 20 тысяч км пробега (то есть, не реже одного раза в год).
Очень важно использовать рекомендованное производителем КПП трансмиссионное масло, и нельзя смешивать масла с разными характеристиками. В противном случае возможен интенсивный износ деталей коробки и ее выход из строя
При правильной эксплуатации и грамотном обслуживании механическая трансмиссия будет работать долго и надежно, не доставляя проблем водителю.
Еще в этом разделе
Что может привести к сбою аэрбегов?
Дергается машина — причины и пути решения
Причины, по которым может дергаться Нива на ходу, могут быть разными. И за довольно немалые километраж, который мне пришлось намотать за несколько лет не только на Ниве, но и других отечественных машинах, могу выделить те проблемы, которые заставляли машину дергаться при движении.
Сразу хочу сказать, что список, приведенный ниже наверняка окажется не полным и многие владельцы ВАЗ 2121 смогут привести свои соображения на этот счет. Но лично в моей практике встречались только следующие:
- Первый и наиболее распространенный случай, когда вы заправились на АЗС некачественным топливом. Таких случаев на личной практике было довольно много. Особенно запомнился один, когда расход топлива увеличился с привычных 11 по трассе до 25 и даже больше. А во время движения по трассе из выхлопной трубы валил черный дым. Оказалось, местный барыга, у которого я заправился как мне казалось бензином, разбавлял его чуть ли не наполовину с дизельным топливом.
- Вторая причина также относится топливу и его составу, а точнее — посторонним веществам в баке. Зачастую в нем скапливается конденсат или же опять-таки с некачественным бензином попадает вода в бак. Когда карбюратор хватает воды, то двигатель естественно будет дергаться, так как работать на воде он не будет. В этом случае необходимо выкачать из бака все топливо и хорошо промыть, а бензин проверить на наличие воды — обычно она скапливается внизу, так как тяжелее.
- Подгоревшие контакты системы зажигания, которые способствуют возникновению пропусков и перебоев в работе мотора. Лечится данная проблема либо заменой контактов, либо их чисткой. Также в трамблере может пробивать на массу проводок от контактов, что тоже будет являться причиной нестабильной работы двигателя.
- Пропуски в зажигании также могут быть связаны с пробиванием высоковольтных проводов, неисправных свечах или даже катушки. Данные неисправности лечатся заменой вышедших из строя деталей.
Вот пожалуй и все, что мне удалось вспомнить из своего личного опыта эксплуатации автомобиля Нива и других моделей Жигулей. По крайней мере других симптомов с моими авто не было. Может быть, кто-то из владельцев даст свои полезные советы и проблемы, которые возникали у них. Если есть, чем дополнить, можете добавить свои комментарии ниже.
niva-remont.com
Вибрации на ниве, пролог
Введение в историю. В коллективе людей, с которыми я работаю, достаточно много людей с разными характерами, образованиями и астрологиями )) Это я к тому, что «дева» — это «ДЕВА». И либо ты это понимаешь, либо убей его сразу. Для примера: когда у данного человека возникли проблемы с КПП и он решил довести ее «до ума» и перебрать, он делал это ПЯТЬ РАЗ. Иногда меняя в ходе разборки один подшипник, который не нравился, по одной ему ведомой причине ))) И вот данный человек предложил мне поискать вибрации, потому как коробка перебрана 5 раз, раздатка 10, и даже ШРУСовые карданы «серп и молот», были отвезены на дополнительную балансировку.
Не буду рассказывать, как это иногда выглядело. Но Гайдай, мог бы снять еще одну из своих гениальных комедий. Мы не стали особо умничать, а просто воспользовались опытом нивоводов, дабы подтвердить или опровергнуть, данные знания.
Восстановление панели после срабатывания подушек безопасности

Панель автомобиля после работки подушек безопасности
Восстановление подушек безопасности обходится недешево, но безопасность водителя и пассажиров того стоят.
После срабатывания airbag подлежит восстановлению рулевое колесо и торпедо. Обычно ремонт панели это последний шаг по ремонту всей системы защиты, но кто-то ограничивается только косметическим ремонтом в салоне в силу больших затрат на замену дорогостоящих подушек безопасности. В последнем случае в полость, где были мешки, заливают какой-либо пористый материал (отлично подходит монтажная пена), удаляют излишки, и закрывают панель на хороший клей. Другой подход – перетяжка всей панели и руля кожей, винилом или другим материалом. Если же airbag будет использоваться в дальнейшем, позаботьтесь о качественном ремонте панели. Здесь должно учитываться то, что не дай бог подушки вылетят и при этом не должно в этот момент возникать проблем.
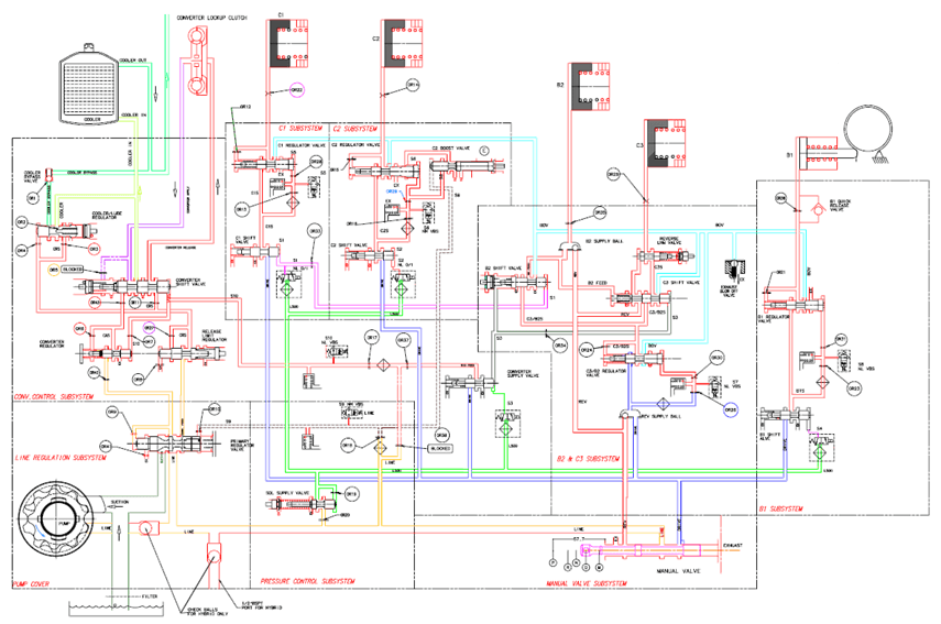
Устройство автоматической трансмиссии

Схема АКПП
Устройство АКПП достаточно сложное и состоит из следующих основных элементов:
- гидротрансформатор;
- планетарный механизм;
- блок управления АКПП (TCU);
- фрикционные муфты;
- обгонная муфта;
- гидроблок;
- ленточный тормоз;
- масляный насос;
- корпус.
Гидротрансформатор представляет собой корпус, заполненный специальной рабочей жидкостью ATF, и предназначен для передачи крутящего момента от двигателя к коробке передач. Фактически он заменяет сцепление. В его состав входят насосное, турбинное и реакторное колеса, блокировочная муфта и муфта свободного хода.
Колеса оснащены лопастями с каналами для прохода рабочей жидкости. Блокировочная муфта необходима для в конкретных режимах работы автомобиля. Муфта свободного хода (обгонная муфта) необходима для вращения реакторного колеса в противоположную сторону. Более подробно про гидротрансформатор можно почитать здесь.
Планетарный механизм АКП включает в себя планетарные ряды, валы, барабаны с фрикционными муфтами, а также и ленточный тормоз.
Механизм переключения скоростей в АКПП достаточно сложен, и, по сути дела, работа трансмиссии состоит в выполнении некоторого алгоритма включения и выключения муфт и тормозов посредством давления жидкости.
Планетарный ряд, точнее блокировка одного из его элементов (солнечная шестерня, саттелиты, коронная шестерня, водило), обеспечивает передачу вращения и изменение крутящего момента. Элементы, входящие в планетарный ряд, блокируются при помощи обгонной муфты, ленточного тормоза и фрикционных муфт.

Пример гидравлической схемы АКПП
Блок управления АКПП может быть гидравлическим (уже не применяется) и электронным (ЭБУ АКПП). Современная гидромеханическая трансмиссия оснащается только электронным блоком управления. Он обрабатывает сигналы датчиков и формирует управляющие сигналы на исполнительные устройства (клапаны) гидроблока, обеспечивающие работу фрикционных муфт, а также управляющие потоками рабочей жидкости. В зависимости от этого жидкость под давлением направляется в ту или иную муфту, включая определенную передачу. TCU также управляет блокировкой гидротрансформатора. При неисправности блок TCU обеспечивает функционирование КПП в “аварийном режиме”. Селектор АКПП отвечает за переключение режимов работы КПП.
В автоматической коробке применяются следующие датчики:
- датчик частоты вращения на входе;
- датчик частоты вращения на выходе;
- ;
- датчик положения рычага селектора;
- датчик давления масла.
Подробнее про датчики АКПП можно почитать тут.
Основные неисправности АКПП
Распространена коробка-автомат во всем мире. Владельцы автомобилей, оснащенных коробкой автомат, отмечают ее удобство. Это очень важный критерий особенно в городских условиях с качественным дорожным полотном и постоянными пробками. Но как и все сложные механизмы АКПП может иметь неисправности. Они могут затрагивать электронную, механическую и гидравлическую систему коробки.
Электронные неисправности коробки автомат
Тут могут быть поломки как в электронном блоке управления так и самом моторе. Самая частая проблема — это замыкание проводки. При неисправности частей устройства, бортовой компьютер осуществляет включение аварийных программ и может сигнализирует о неисправности водителю. Это бывает в случае серьезной неисправности связанной с запуском исполнительного механизма коробки. Перевод в аварийный режим характеризуется включением третьей передачи. Только в этом случае можно максимально безопасно добраться на машине до автосервиса или места пригодного для ремонта.
Механические неисправности коробки автомат
Данный тип неисправностей обусловлен износом шестерен и валов. Сюда же относят повреждения фрикционных элементов, например тормозных лент, гидротрансформатора, блокировочной муфты, гидравлического блока.
Возникшую проблему необходимо решать сразу, т.к. одна поломка влечет за собой другую. Профессионалы разъясняют, что такое положение дел связано с особенностями работы автоматической коробки передач. В процессе использования происходит изнашивание дисков фрикционных муфт. Мелкие частицы (крошки и стружки) которых загрязняют масло, что приводит к засорению клапанов и масляных каналов гидравлического блока. Вследствие этого блок не способен нормально работать, и приводит к перегреванию. При отсутствии своевременно принятых мер, коробка передач начинает сыпаться и ее ремонт не целесообразен.
%rtb-4%
Признаки проблем с АКПП
Автоматическая трансмиссия в разобранном виде
Не секрет, что в ходе эксплуатации транспортного средства на автоматическую трансмиссию возлагаются большие нагрузки, которые могут стать причиной поломки коробки передач. И хотя в последнее время автомобильные производители делают все, чтобы увеличить ресурс службы этих агрегатов, все равно «автомат» считается одним из самых уязвимых узлов. Что касается неисправностей и их признаков, то они могут быть самыми разнообразными. К примеру, при поломках в работе гидроблока во время переключения скоростей могут возникнуть толчки и рывки. Однако, толчки могут быть самыми разными, их существует много типов и все они говорят о разных поломках.
Особенно, если поломки прогрессируют, толчки и рывки могут изменяться. Если возникают подобные проблемы в эксплуатации узла, владелец транспортного средства должен как можно быстрее заняться поиском неисправностей или обратиться к специалистам. Также следует отметить, что неисправности автоматической коробки передач могут быть выражены в невозможности переключить ту или иную скорость. Либо же в полной блокировке передач. Если вы столкнулись с подобной проблемой, то эксплуатировать свое транспортное ни в коем случае нельзя, иначе проблема может усилиться.
Иногда неисправности АКПП могут быть определены с помощью регуляторов и прочих датчиков, которыми оборудован агрегат.
Такие устройства позволяют автомобилисту определить и предупреждают его о:
- недостаточном уровне трансмиссионной жидкости в системе;
- недостаточном давлении рабочей смазки;
- перегреве автоматической трансмиссии;
- выходах из строя других датчиков;
- проблемах с переключением режимов.
Собственно, то же самое может сделать и бортовой компьютер, выдав на панель управления сообщение водителю путем активации лампочки Check Engine. Однако следует отметить, что большая часть подобных сообщений о поломках трансмиссии носят неточный характер. Соответственно, определить точно неисправности АКПП позволит только полная компьютерная диагностика или разбор и переборка агрегата. Также следует отметить, что в некоторых отдельных случаях даже диагностика не поможет, в результате чего возникнет необходимость демонтажа трансмиссии.
Признаки проблем с автоматом
Конечно, для точного диагностирования проблем с автоматической трансмиссией вам придется обратиться в профессиональный сервис. Однако, существуют видимые признаки неисправности АКПП или сбоев в работе конструкции. Рассмотрим некоторые звоночки и очевидные неисправности:
- АКПП не переключает скорости. Это безусловно заметная проблема с коробкой. В данном случае скорость может вовсе не включаться и сохранять нейтралку. Но чаще всего автомобиль переключается на первую передачу в положении D. В большинстве случаев сопровождается характерными звуками и троением машины;
- пробуксовка АКПП. Если трансмиссия пробуксовывает, это сразу бросается в глаза: авто тяжело набирает скорость при повышении оборотов, издает характерный звук на сбросе передачи. Если заметили подобное – обращайтесь в сервис;
- при неисправностях в работе гидроблока автомобиль начинает двигаться характерными отрывистыми толчками;
- перегрев трансмиссии, малое количество специальной жидкости в коробке, несущественное давление внутренней смазки – это прямые признаки сбоя. Однако доступны они на машинах с соответствующими датчиками или приборами.
Стоит сказать, что вообще любой неприятный и нехарактерный звук – повод обратится к мастеру. Это также относится к всевозможным нарушениям хода машины. Благо, сегодня первоначальный беглый осмотр авто стоит не так дорого.
Снятие раздатки Нива
Чтобы выполнить ремонт раздаточной коробки на автомобиле ВАЗ 21213 (21214), узел предварительно необходимо снять. Снятие производим в следующем порядке:
- в салоне демонтируем пластмассовую накладку рычагов КПП и РК;
- отворачиваем набалдашники рычагов переключения раздатки, снимаем под ними кожух;
- отсоединяем трос спидометра, для РК 21214 нужно будет отсоединить дополнительно еще датчик скорости;
- разворачиваем болты с гайками крепления эластичной муфты переднего и заднего карданных валов, для того чтобы вынуть болты, карданы необходимо проворачивать – вынимаются они по одному в одном определенном положении вала;
- под раздатку устанавливаем домкрат (или другой упор), отмечаем места, где крепились боковые опоры РК. Делается это для того, при установке центровку раздаточной коробки свести к минимуму;
- отворачиваем 4 гайки крепления РК к коробке передач;
- откручиваем 4 крепления опор РК к кузову автомобиля;
- теперь остается только демонтировать раздаточную коробку.
Выжимной подшипник
Признак
Если вы услышали писк из-под машины во время нажатия на педаль сцепления или во время езды, то это возможно износ выжимного подшипника. Причина – естественная выработка вследствие постоянной работы. Он должен работать только во время включения и ли выключения сцепления, он рассчитан на это. Если расстояния между ним и диафрагменной пружиной не будет, он будет касаться ее всегда и постоянно вращаться с такой же скоростью, что и маховик двигателя, сокращая срок эксплуатации.
Реклама:

Как этого избежать
Отрегулировать сцепление. То есть, выставить зазор между ним и корзиной. Как это сделать на классике смотрите ниже в видео.
Даже малейшее прижатие педали ногой, при неправильной регулировке зазора, приводит к постоянному касанию выжимного и лепестков пружины.
КПП – как и зачем
Не будем очень детально разбирать устройство и принцип работы коробки передач, но для понимания нужно немного познакомиться с принципами этого механизма.

Главная задача коробки передач – передача крутящего момента и мощности от силового агрегата в изменяемом диапазоне оборотов. Чтобы изменять этот набор оборотов, применяются пары шестеренок, имеющие разное передаточное отношение – именно за счет этого полторы тысячи оборотов могут превращаться в обороты ведущей пары колес с повышением вращательного момента.
Этот принцип очень напоминает современный велосипед. Для старта используют малую звездочку, после разгона до определенной скорости переключаются на следующую передачу, где шестерни имеют другое передаточное отношение – меньшее, чтобы ехать быстро, но с меньшими усилиями или оборотами. Переключений может быть 4, 5 и более.
Процесс передачи вращательного момента в коробке передач осуществляется посредством зацепления шестеренок, установленных на валах. Сейчас есть двухвальные КПП, трехвальные. Первые имеют первичный и вторичный валы. А вращательный момент идет с первичного вала к вторичному через промежуточный. Шестеренки на них постоянно зацеплены. Но пары шестерен, кроме той, которая рабочая в данный момент, вращаются без нагрузки. Чтобы выбрать пару шестеренок, существует синхронизатор. С помощью рычага КПП посредством вилки переключения и синхронизаторов подключается та или иная шестеренка к установленной на ведомом валу.


















































