Расчет максимальной скорости автомобиля
Привет друзья! Более года ничего не писал в свой блог, но сегодня что-то пошло не так . Не туда забрел, не там почитал, и пришло вдохновение, желание двигаться вперед.
Это будет не информационный пост как обычно, а некий мануал, калькулятор, который в зависимости от заданных типоразмеров шин, оборотов мотора и указанных передаточных чисел коробки рассчитает, какая будет скорость движения у автомобиля на передачи.

Конечно, калькулятор скорости автомобиля по передаточным числам и шинам производит расчет в идеальных (лабораторных) условиях. В реальных же условиях на конечную скорость автомобиля влияет очень много факторов, начиная от климатических условий и состояния дорожного полотна, и заканчивая настройкой мотора. Другими словами, калькулятор показывает потенциал коробки передач, до какой максимальной скорости она способна разогнать автомобиль.
Расчет оборотов двигателя по передаточному числу
Как рассчитать передаточное отношение шестерен механической передачи.
В этой статье я приведу пример расчета передаточного отншения шестерен разного диаметра, с разным количеством зубьев
Данный расчет применяется в том случае, когда важно определить к примеру скорость вращения вала редуктора при известной скорости привода и характеристиках зубьев
Естественно, можно произвести замеры частоты вращения выходного вала, однако в некоторых случаях требуется именно расчет. Помимо этого, в теоретической механике, при конструировании различных узлов и механизмов требуется рассчитать шестерни, чтобы получить заданную скорость вращения.
Термин передаточное число является весьма неоднозначным. Он перекликается с термином передаточное отношение, что не совсем верно. Говоря о передаточном числе, мы подразумеваем сколько оборотов совершит ведомое колесо (шестерня) относительно ведущего.
Для правильного понимания процессов и строения шестерни – следует предварительно ознакомится с ГОСТ 16530-83.
Итак, рассмотрим пример расчета с использованием двух шестерен.

Чтобы рассчитать передаточное отношение мы должны иметь как минимум две шестерни. Это называется зубчатая передача. Обычно первая шестерня является ведущей и находится на валу привода, вторая шестерня называется ведомой и вращается входя в зацепление с ведущей. Пи этом между ними может находится множество других шестерен, которые называются промежуточными. Для упрощения расчета рассмотрим зубчатую передачу с двумя шестернями.
В примере мы имеем две шестерни: ведущую (1) и ведомую (2). Самый простой способ заключается в подсчете количества зубьев на шестернях. Посчитаем количество зубьев на ведущей шестерне. Так же можно посмотреть маркировку на корпусе шестерни.
Представим, что ведущая шестерня (красная) имеет 40 зубьев, а ведомая(синяя) имеет 60 зубьев.
Разделим количество зубьев ведомой шестерни на количество зубьев ведущей шестерни, чтобы вычислить передаточное отношение. В нашем примере: 60/40 = 1,5. Вы также можете записать ответ в виде 3/2 или 1,5:1.
Такое передаточное отношение означает, что красная, ведущая шестерня должна совершить полтора оборота, чтобы синяя, ведомая шестерня совершила один оборот.
Теперь усложним задачу, используя большее количество шестерен. Добавим в нашу зубчатую передачу еще одну шестерню с 14 зубьями. Сделаем ее ведущей.

Начнем с желтой, ведущей шестерни и будем двигаться в направлении ведомой шестерни. Для каждой пары шестерен рассчитываем свое передаточное отношение. У нас две пары: желтая-красная; красная-синяя. В каждой паре рассматриваем первую шестерню как ведущую, а вторую как ведомую.
В нашем примере передаточные числа для промежуточной шестерни: 40/14 = 2,9 и 60/40 = 1,5.
Умножаем значения передаточных отношений каждой пары и получаем общее передаточное отношение зубчатой передачи: (20/7) × (30/20) = 4,3. То есть для вычисления передаточного отношения всей зубчатой передачи необходимо перемножить значения передаточных отношений для промежуточных шестерен.
Определим теперь частоту вращения.
Используя передаточное отношение и зная частоту вращения желтой шестерни, можно запросто вычислить частоту вращения ведомой шестерни. Как правило, частота вращения измеряется в оборотах в минуту (об/мин) Рассмотрим пример зубчатой передачи с тремя шестернями. Предположим, что частота вращения желтой шестерни 340 оборотов в минуту. Вычислим частоту вращения красной шестерни.
Будем использовать формулу: S1 × T1 = S2 × T2,
S1 – частота вращения желтой (ведущей) шестерни,
Т1 – количество зубьев желтой (ведущей) шестерни;
S2- частота вращения красной шестерни,
Т2 – количество зубьев красной шестерни.
В нашем случае нужно найти S2, но по этой формуле вы можете найти любую переменную.
340 rpm × 7 = S2 × 40
Получается, если ведущая, желтая шестерня вращается с частотой 340 об/мин, тогда ведомая, красная шестерня будет вращаться со скоростью примерно 60 об/мин. Таким же образом рассчитываем частоту вращения пары красная-синяя. Полученный результат – частота вращения синей шестерни – будет являться искомой частотой вращения всей зубчатой передачи.
Источник
Передаточное число [I]
Передаточное число редуктора рассчитывается по формуле:
I = N1/N2
где N1 – скорость вращения вала (количество об/мин) на входе; N2 – скорость вращения вала (количество об/мин) на выходе.
Полученное при расчетах значение округляется до значения, указанного в технических характеристиках конкретного типа редукторов.
Таблица 2. Диапазон передаточных чисел для разных типов редукторов
| Тип редуктора | Передаточные числа | 
| Червячный одноступенчатый | 8-80 | 
| Червячный двухступенчатый | 25-10000 | 
| Цилиндрический одноступенчатый | 2-6,3 | 
| Цилиндрический двухступенчатый | 8-50 | 
| Цилиндрический трехступенчатый | 31,5-200 | 
| Коническо-цилиндрический одноступенчатый | 6,3-28 | 
| Коническо-цилиндрический двухступенчатый | 28-180 | 
ВАЖНО! Скорость вращения вала электродвигателя и, соответственно, входного вала редуктора не может превышать 1500 об/мин. Правило действует для любых типов редукторов, кроме цилиндрических соосных со скоростью вращения до 3000 об/мин
Этот технический параметр производители указывают в сводных характеристиках электрических двигателей.
Угол поворота и период обращения
Рассмотрим точку А на предмете, вращающимся вокруг своей оси. При обращении за какой-то период времени она изменит своё положение на линии окружности на определённый угол. Это угол поворота. Он измеряется в радианах, потому что за единицу берётся отрезок окружности, равный радиусу. Ещё одна величина измерения угла поворота – градус.
Когда в результате поворота точка А вернётся на своё прежнее место, значит, она совершила полный оборот. Если её движение повторится n-раз, то говорят о некотором количестве оборотов. Исходя из этого, можно рассматривать 1/2, 1/4 оборота и так далее. Яркий практический пример этому – путь, который проделывает фреза при фрезеровании детали, закреплённой в центре шпинделя станка.
Внимание! Угол поворота имеет направление. Оно отрицательное, когда вращение происходит по часовой стрелке и положительное при вращении против движения стрелки
Если тело равномерно продвигается по окружности, можно говорить о постоянной угловой скорости при перемещении, ω = const.
В этом случае находят применения такие характеристики, как:
- период обращения – T, это время, необходимое для полного оборота точки при круговом движении;
- частота обращения – ν, это полное количество оборотов, которое совершает точка по круговой траектории за единичный временной интервал.
Интересно. По известным данным, Юпитер обращается вокруг Солнца за 12 лет. Когда Земля за это время делает вокруг Солнца почти 12 оборотов. Точное значение периода обращения круглого гиганта – 11,86 земных лет.
Как изготовить своими руками?
Существуют различные варианты схем регулировки. Приведём один из них более подробно.
Вот схема его работы:

Первоначально, это устройство было разработана для регулировки коллекторного двигателя на электротранспорте. Речь шла о таком, где напряжение питания составляет 24 В, но эта конструкция применима и для других двигателей.
Слабым местом схемы, которое было определено при испытаниях её работы, является плохая пригодность при очень больших значениях силы тока. Это связано с некоторым замедлением работы транзисторных элементов схемы.
Рекомендуется, чтобы ток составлял не более 70 А. В этой схеме нет защиты по току и по температуре, поэтому рекомендуется встроить амперметр и контролировать силу тока визуально. Частота коммутации составит 5 кГц, она определяется конденсатором C2 ёмкостью 20 нф.
При этом, рекомендуется подобрать величину R1 таким образом, чтобы правильно настроить работу регулятора. С выхода микросхемы, управляющий импульс поступает на двухтактный усилитель на транзисторах КТ815 и КТ816, далее идёт уже на транзисторы.
Печатная плата имеет размер 50 на 50 мм и изготавливается из одностороннего стеклотекстолита:

На этой схеме дополнительно указаны 2 резистора по 45 ом. Это сделано для возможного подключения обычного компьютерного вентилятора для охлаждения прибора. При использовании в качестве нагрузки электродвигателя, необходимо схему заблокировать блокирующим (демпферным) диодом, который по своим характеристикам соответствует удвоенному значению тока нагрузки и удвоенному значению питающего напряжения.
Работа устройства при отсутствии такого диода может привести к поломке вследствие возможного перегрева. При этом, диод нужно будет поместить на теплоотвод. Для этого, можно воспользоваться металлической пластиной, которая имеет площадь 30 см2.
Регулирующие ключи работают так, что потери мощности на них достаточно малы. В оригинальной схеме, был использован стандартный компьютерный вентилятор. Для его подключения использовалось ограничительное сопротивление 100 Ом и напряжение питания 24 В.
Собранное устройство выглядит следующим образом:

При изготовлении силового блока (на нижнем рисунке), провода должны быть присоединены таким образом, чтобы было минимум изгибов тех проводников по которым проходят большие токи.Мы видим, что изготовление такого прибора требует определённых профессиональных знаний и навыков. Возможно, в некоторых случаях имеет смысл воспользоваться покупным устройством.
Причины возникновения изгибающего момента и последующего обрыва бурта
Расчет мощности по объему двигателя
Внимательный читатель наверняка обратил внимание, что первую формулу можно напрямую подставить во вторую, чтобы упростить подсчеты. Мощность в таком случае можно выразить следующим образом:. Расшифровка у этой формулы будет стандартной:
Расшифровка у этой формулы будет стандартной:
- О — объем двигателя.
- Д — давление в камере сгорания.
- ОД — обороты.
- 120,3 — новый поправочный коэффициент.
Расчет передаточного числа редуктора онлайн калькулятор
Калькулятор КПП позволяет рассчитать зависимость скорости автомобиля от рабочих оборотов двигателя на каждой передаче с учетом ряда параметров: передаточное отношение ряда в КПП, главной пары (редуктора), размера колес. Расчет ведется для двух разных конфигураций КПП для проведения сравнительного анализа. Это позволяет правильно подобрать тюнинговый ряд и ГП для коробки переключения передач.
Результаты расчета КПП выводятся в табличном и графическом виде. Графики позволяют произвести визуальный анализ, оценить «длину» каждой передачи, и «разрыв» между ними (на сколько падают обороты двигателя при переключении на повышенную передачу)
Заполните графы параметров колеса: ширину и высоту профиля покрышки (ищите маркировку на боковине покрышки) и диаметр колесного диска
Обратите внимание: маркировка R на покрышке означает ее конструкцию – радиальная, например, R14 — покрышка радиальной конструкции диаметром 14 дюймов. Введите передаточное число главной пары и каждой передачи в соответствующие графы калькулятора КПП (разделитель дробной части – точка)
Если шестой передачи нет, вводите ноль. Нажмите кнопку «Рассчитать КПП».
Данный тюнинг-калькулятор поможет Вам просчитать изменения в поведении и характеристиках вашего внедорожника при замене колес, двигателя, коробки передач и т.д.
— Введите характеристики оборудования до и после тюнинга Вам достаточно ввести характеристики оборудования до и после тюнинга.
* Максимальная скорость вычисляется из передаточных чисел трансмиссии, оборотов двигателя и размеров шин. Но двигатель может оказатся недостаточно мощным и реальная максимальная скорость будет меньше, чем подсчитанная. ** Вычисление тяги и максимального угла подъема происходит без учета сил трения и сцепления колес с землей и могут быть меньше, чем подсчитанные. *** Если на автомобиль установлены редукторные мосты, то показатель КПД следует уменьшить до 82%.
В данной статье содержится подробная информация о выборе и расчете мотор-редуктора. Надеемся, предлагаемые сведения будут вам полезны.
При выборе конкретной модели мотор-редуктора учитываются следующие технические характеристики:
- тип редуктора;
- мощность;
- обороты на выходе;
- передаточное число редуктора;
- конструкция входного и выходного валов;
- тип монтажа;
- дополнительные функции.
muller1569 › Blog › Динамика разгона взависимости от размера и веса колеса.
Ежедневно мы уменьшаем-увеличиваем передаточное число, переключая КПП на передачу вверх-вниз.Помимо передаточного числа текущей передачи КПП, существует передаточное число главной пары — это постоянная величина, определяется соотношением зубьев шестерней передающих усилие от двигателя к КПП.Хотя гонщики меняют и эту характеристику для достижения, требуемого результата.
Поставив колесо меньшего диаметра R14, мы достигнем точно такого же результата, как если бы увеличили передаточное число главной пары. То есть за один оборот коленчатого вала машина пройдет меньшее расстояние. Увеличивая передаточное число мы заставляем автомобиль быстрее разгоняться по всему рабочему диапазону двигателя (1000 до 8000 об/мин) но теряем в максимальной скорости при максимальных оборотах.Поставив колесо меньшего диаметра R14, мы достигнем точно такого же результата, как если бы увеличили передаточное число главной пары. То есть за один оборот коленчатого вала машина пройдет меньшее расстояние. Увеличивая передаточное число мы заставляем автомобиль быстрее разгоняться по всему рабочему диапазону двигателя (1000 до 8000 об/мин) но теряем в максимальной скорости при максимальных оборотах.Например, если измерить разгон от 10 до 50 км/ч, то на первой передаче мы получим гораздо приятней результат, чем на второй. Если же будем стремиться к максимальной скорости, то тут вторая передача окажется фаворитом.Подобрав передаточное число главной пары (или поставив маленькое колесо) таким образом, чтобы на пятой передаче при максимальных оборотах скорость была 150км/ч мы получим существенно быстрый разгон до заданной скорости по сравнению со стоковым авто.Это я к тому что, вообще говоря, маленькие колеса динамику улучшают.
Есть такое понятие, как неподрессо́ренная ма́сса — применимо к наземным средствам передвижения, имеющим подвеску, которое обозначает массу, включающую массу колес и других деталей, крепящихся непосредственно к ним (дисков, шин, элементов тормозной системы, находящихся на колесе). Масса остальных элементов, удерживаемых над землей подвеской, называется подрессоренной массой.Есть такое понятие, как неподрессо́ренная ма́сса — применимо к наземным средствам передвижения, имеющим подвеску, которое обозначает массу, включающую массу колес и других деталей, крепящихся непосредственно к ним (дисков, шин, элементов тормозной системы, находящихся на колесе). Масса остальных элементов, удерживаемых над землей подвеской, называется подрессоренной массой.Соотношение подрессоренной и неподрессоренной массы имеет огромное значение, так как сила, с которой неподрессоренные компоненты воздействуют на автомобиль снизу вверх, должна компенсироваться весом подрессоренной массы. В противном случае автомобиль теряет сцепление с поверхностью дороги, что отрицательно сказывается на его управляемости. Для преодоления данной проблемы устанавливают облегченные диски и покрышки.
Кроме управляемости вес колес влияет и на динамику автомобиля. Так, чем тяжелее колеса, тем больше энергии и времени потребуется чтобы изменить скорость их вращения. То же относится и к процессу торможения. Однако, вклад энергии вращения колес в общую энергию движения автомобиля незначителен, и поэтому реально ощутить изменение в динамике разгона и торможения невозможно.
Соотношение неподрессоренных и подрессоренных масс в автомобиле составляет в среднем 1:15. Меняя это соотношение, можно добиться более высокой плавности хода автомобиля. Это соотношение можно изменить двумя способами: увеличив подрессоренную массу либо уменьшив неподрессоренную. Однако, если увеличивать подрессоренную массу, к примеру, загрузить по максимуму салон автомобиля, то разгонная динамика снизится. А вот уменьшив неподрессоренную массу, можно сохранить и даже улучшить динамику, добившись при этом высокой плавности хода. И добиться этого можно, только снизив вес колес. Снижение веса колёс на 1 килограмм с точки зрения динамики эквивалентно уменьшению массы в салоне автомобиля приблизительно на 1,5 кг. С точки зрения комфорта — на 10. Таким образом, если при замене дисков вы снижаете вес каждого всего на 2 килограмма (что в сумме дает 8 килограммов), то ваша машина будет ехать также плавно, как если бы в нее сел пассажир весом 80 кг., и так же быстро как будто из салона выкинули 15 кг а пассажир не садился вовсе.
Источник
Угловая скорость
Когда тело движется по окружности, то не все его точки движутся с одинаковой скоростью относительно оси вращения. Если взять лопасти обычного бытового вентилятора, которые вращаются вокруг вала, то точка расположенная ближе к валу имеет скорость вращения больше, чем отмеченная точка на краю лопасти. Это значит, у них разная линейная скорость вращения. В то же время угловая скорость у всех точек одинаковая.
Угловая скорость представляет собой изменение угла в единицу времени, а не расстояния. Обозначается буквой греческого алфавита – ω и имеет единицу измерения радиан в секунду (рад/с). Иными словами, угловая скорость – это вектор, привязанный к оси обращения предмета.
Формула для вычисления отношения между углом поворота и временным интервалом выглядит так:
ω = ∆ϕ/∆t,
где:
- ω – угловая скорость (рад./с);
- ∆ϕ – изменение угла отклонения при повороте (рад.);
- ∆t – время, затраченное на отклонение (с).
Обозначение угловой скорости употребляется при изучении законов вращения. Оно употребляется при описании движения всех вращающихся тел.
 Формула угловой скорости
Формула угловой скорости
Угловая скорость в конкретных случаях
На практике редко работают с величинами угловой скорости. Она нужна при конструкторских разработках вращающихся механизмов: редукторов, коробок передач и прочего.
Вычислить её, применяя формулу, можно. Для этого используют связь угловой скорости и частоты вращения.
ω = 2*π / Т = 2*π*ν,
где:
- π – число, равное 3,14;
- ν – частота вращения, (об./мин.).
В качестве примера могут быть рассмотрены угловая скорость и частота вращения колёсного диска при движении мотоблока. Часто необходимо уменьшить или увеличить скорость механизма. Для этого применяют устройство в виде редуктора, при помощи которого понижают скорость вращения колёс. При максимальной скорости движения 10 км/ч колесо делает около 60 об./мин. После перевода минут в секунды это значение равно 1 об./с. После подстановки данных в формулу получится результат:
ω = 2*π*ν = 2*3,14*1 = 6,28 рад./с.
К сведению. Снижение угловой скорости часто требуется для того, чтобы увеличить крутящий момент или тяговое усилие механизмов.
 Шестерёнчатый уменьшитель хода для мотокультиватора
Шестерёнчатый уменьшитель хода для мотокультиватора
Как определить угловую скорость
Принцип определения угловой скорости зависит от того, как происходит движение по окружности. Если равномерно, то употребляется формула:
ω = 2*π*ν.
Если нет, то придётся высчитывать значения мгновенной или средней угловой скорости.
Величина, о которой идёт разговор, векторная, и при определении её направления используют правило Максвелла. В просторечии – правило буравчика. Вектор скорости имеет одинаковое направление с поступательным перемещением винта, имеющего правую резьбу.
 Правило Максвелла для угловой скорости
Правило Максвелла для угловой скорости
Рассмотрим на примере, как определить угловую скорость, зная, что угол поворота диска радиусом 0,5 м меняется по закону ϕ = 6*t:
ω = ϕ / t = 6 * t / t = 6 с-1
Вектор ω меняется из-за поворота в пространстве оси вращения и при изменении значения модуля угловой скорости.
Определение мощности по току
Если у вас “в поле” нет под рукой вышеуказанных таблиц, зато имеются токоизмерительные клещи, рассчитать мощность электродвигателя можно по результатам замеров при его работе под напряжением.
Для этого отключаете рубильник питания агрегата и вскрываете брно. Провода в нем уложены как правило очень плотно, чтобы подлезть к ним клещами, придется их временно распрямить и развести между собой.
С самих клемм ничего откидывать не нужно. После этого включаете эл.двигатель под напряжение и даете ему несколько минут поработать под нагрузкой (не на холостом ходу!)
Токоизмерительными клещами обхватываете одну из фаз и записываете данные замера.
Помимо тока нужно знать еще и фактическое напряжение. Измерение делаете между фаз приходящего кабеля питания.
Далее, чтобы вычислить мощность, воспользуйтесь известной формулой:

Подставив в нее данные (U в киловольтах!, а ток в амперах) вы узнаете полную мощность движка в кВа. При этом следует учесть, что мощность эл.двигателя не зависит от схемы соединения обмоток статора, будь то треугольник или звезда.
Просто вы получите другие данные по току и напряжению, значение же самой мощности останется прежним.
Дабы узнать мощность электродвигателя в кВт, т.е. на валу, достаточно умножить полученное значение на cosϕ (коэфф. мощности=0,75-0,85) и на КПД (0,75-0,95).

Если у вас нет точных данных этих величин (что чаще всего и наблюдается), подставьте усредненные параметры:
cosϕ=0,8
ⴄ=0,85
Полученный результат округляете до целого и узнаете искомую мощность.
https://youtube.com/watch?v=vGJJl3SL4DQ%3F
Источники — //cable.ru, Кабель.РФ
Ускорение, момент и связь их с массой
Помимо приведённых выше величин, с вращением связано ещё несколько моментов. Учитывая же, сколько в автомобиле крутящихся деталей разного веса, их практическое значение нельзя не учесть.
Равномерное вращение – это важная вещь. Вот только нет ни одной детали, которая бы всё время крутилась равномерно. Число оборотов любого крутящегося узла, от коленвала до колеса, всегда в конечном итоге растёт, а затем падает. И та величина, которая показывает, насколько выросли обороты, называется угловым ускорением. Поскольку она производная от угловой скорости, измеряется она в радианах на секунду в квадрате (как линейное ускорение – в метрах на секунду в квадрате).
С движением и её изменением во времени связан и другой аспект – момент импульса. Если до этого момента мы могли рассматривать только чисто математические особенности движения, то здесь уже нужно учитывать то, что каждая деталь имеет массу, которая распределена вокруг оси. Он определяется соотношением начального положения точки с учётом направления движения – и импульса, то есть произведения массы на скорость. Зная момент импульса, возникающий при вращении, можно определить, какая нагрузка будет приходиться на каждую деталь при её взаимодействии с другой
Вспомним физику
На главном валу коробки передач (который идет на колеса) стоит датчик, который считает частоту его вращения. Он соединен с прибором прочным вращающимся тросиком, на противоположной стороне которого находится мудреное (на первый взгляд) устройство, состоящие из пластин, пружин и магнита, соединенное со стрелкой прибора. В электронном спидометре вместо тросика электрический провод передающий сигналы от вала к контроллеру спидометра.
В любом случае, расчет скорости движения (а заодно и пробега) происходит по установленному алгоритму, в котором учитываются два фактора: количество оборотов колеса и длина его окружности
Важно: при расчете предусматривается размер колеса, рекомендованный производителем. То есть, если компания настоятельно рекомендует использовать 14-дюймовые колеса, спидометр будет считать скорость так, как будто на авто стоят именно они
А если вы ставите 16-дюймовые диски (и, соответственно, резину того же диаметра), спидометр будет врать. Сильно?
Знающие люди утверждают: производители авто знакомы с тягой граждан ставить на авто колеса большего диаметра, чем рекомендован заводом, поэтому настраивают прибор так, чтобы он выдавал большую скорость, чем есть на самом деле (погрешность прибора). Таким образом, при установке колеса большего диаметра, погрешности вроде как нивелируются.
На самом деле, спидометр врет в любом случае. Хотя бы потому, что кроме погрешности самого прибора существуют и другие допуски, которые влияют на точность показаний. Датчик, например, тоже может врать. Считается, что для заднеприводных авто скорость измеряется точнее, чем для переднеприводных. А все потому, что у переднеприводных добавляется еще одна погрешность, на которую влияет поворот ведущего (переднего) колеса. Как-то так!
Вернемся к теме нашего разговора. Если вы установили на авто колеса большего размера, оно, проходя то же расстояние, будет делать меньшее число оборотов. На спидометре скорость будет меньше, чем есть на самом деле. Насколько меньше?
Прогноз максимальной скорости движения авто на передаче:
| 1 я передача: | 23.68 | км/ч | 24.43 | км/ч | 
| 2 я передача: | 36.34 | км/ч | 41.52 | км/ч | 
| 3 я передача: | 52.47 | км/ч | 58.01 | км/ч | 
| 4 я передача: | 69.1 | км/ч | 73.3 | км/ч | 
| 5 я передача: | 90.21 | км/ч | 93.04 | км/ч | 
| 6 я передача: | нет | км/ч | нет | км/ч | 
* Для сликов маркированных в дюймах вводите только R колеса (вводить ширину и профиль не надо).
По умолчанию в калькуляторе расчета передаточных чисел КПП указаны характеристики коробок S4C (КПП #1) и S9B (КПП #2). Выбрал эти коробки не случайно, т.к. первая устанавливалась на Civic EK9, а вторая считается самой длинной МКПП для Б-моторов.
Размеры шин, количество оборотов двигателя, передаточные числа КПП и главную пару Вы можете подставлять на свое усмотрение. Калькулятором представляет собой универсальное средство, поэтому не стоит зацикливаться, что он работает только на КПП предназначенных для Хонды. Коробку ВАЗ’ика он тоже рассчитает без проблем
Внимание ! Калькулятор КПП и максимальной скорости движения автомобиля предоставлен исключительно в ознакомительных целях и не гарантирует 100% достоверных данных!
На форуме есть несколько тем, посвященных Honda коробкам, из которых Вы можете узнать передаточные числа для калькулятора. Информация еще не полная, но со временем, усилиями сообщества обновим топики и сделаем полную подборку характеристик:
В завершении поста, хочу заметить, что при установке на автомобиль дисков большего диаметра или шин отличных от стокового типоразмера, спидометр будет выдавать не совсем корректные данные. Единицы отдают его на калибровку, чтобы снимать точные показания, в 99.999% случаев автовладельцы оставляют все как есть. Чтобы узнать, насколько спидометр «обманывает» Вас, в блоге есть еще один полезный инструмент:
Спасибо за внимание и отдельный респект всем тем, кто поделился ссылкой на пост
P.S. По давней традиции, не забывайте подписываться на обновления проекта и нашего паблика ВКонтакте, рассказывать друзьям о проекте, делиться в сети ссылками на интересные посты, оставлять развернутые комментарии по теме, делать ретвиты, ставить лайки, нажимать на «мне нравится», добавлять посты в гугл плюс и . И конечно же, САМОЕ-САМОЕ ГЛАВНОЕ — приглашаю всех на форум любителей хонда . С момента последнего поста много чего изменилось и форум тоже. Жду всех на форуме
Источник
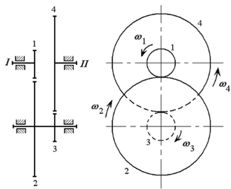
Как рассчитать передаточное число
Шестерня и колесо имеют разное количество зубов с одинаковым модулем и пропорциональный размер диаметров. Передаточное число показывает, сколько оборотов совершит ведущая деталь, чтобы провернуть ведомую на полный круг. Зубчатые передачи имеют жесткое соединение. Передающееся количество оборотов в них не меняется. Это негативно сказывается на работе узла в условиях перегрузок и запыленности. Зубец не может проскользнуть, как ремень по шкиву и ломается.
Расчет без учета сопротивления
В расчете передаточного числа шестерен используют количество зубьев на каждой детали или их радиусы.
u12 = ± Z2/Z1 и u21 = ± Z1/Z2,
Где u12 – передаточное число шестерни и колеса;
Z2 и Z1 – соответственно количество зубьев ведомого колеса и ведущей шестерни.
Знак «+» ставится, если направление вращения не меняется. Это относится к планетарным редукторам и зубчатым передачам с нарезкой зубцов по внутреннему диаметру колеса. При наличии паразиток – промежуточных деталей, располагающихся между ведущей шестерней и зубчатым венцом, направление вращения изменяется, как и при наружном соединении. В этих случаях в формуле ставится «–».
При наружном соединении двух деталей посредством расположенной между ними паразитки, передаточное число вычисляется как соотношение количества зубьев колеса и шестерни со знаком «+». Паразитка в расчетах не участвует, только меняет направление, и соответственно знак перед формулой.
Обычно положительным считается направление движения по часовой стрелке. Знак играет большую роль при расчетах многоступенчатых редукторов. Определяется передаточное число каждой передачи отдельно по порядку расположения их в кинематической цепи. Знак сразу показывает направление вращения выходного вала и рабочего узла, без дополнительного составления схем.
Вычисление передаточного числа редуктора с несколькими зацеплениями – многоступенчатого, определяется как произведение передаточных чисел и вычисляется по формуле:
u16 = u12×u23×u45×u56 = z2/z1×z3/z2×z5/z4×z6/z5 = z3/z1×z6/z4
Зубчатое зацепление жесткое. Детали не могут проскальзывать относительно друг друга, как в ременной передаче и менять соотношение количества вращений. Поэтому на выходе обороты не изменяются, не зависят от перегруза. Верным получается расчет скорости угловой и количества оборотов.
КПД зубчатой передачи
Для реального расчета передаточного отношения, следует учитывать дополнительные факторы. Формула действительна для угловой скорости, что касается момента силы и мощности, то они в реальном редукторе значительно меньше. Их величину уменьшает сопротивление передаточных моментов:
- трение соприкасаемых поверхностей;
- изгиб и скручивание деталей под воздействием силы и сопротивление деформации;
- потери на шпонках и шлицах;
- трение в подшипниках.
Для каждого вида соединения, подшипника и узла имеются свои корректирующие коэффициенты. Они включаются в формулу. Конструктора не делают расчеты по изгибу каждой шпонки и подшипника. В справочнике имеются все необходимые коэффициенты. При необходимости их можно рассчитать. Формулы простотой не отличаются. В них используются элементы высшей математики. В основе расчетов способность и свойства хромоникелевых сталей, их пластичность, сопротивление на растяжение, изгиб, излом и другие параметры, включая размеры детали.
Что касается подшипников, то в техническом справочнике, по которому их выбирают, указаны все данные для расчета их рабочего состояния.
При расчете мощности, основным из показателей зубчатых зацепления является пятно контакта, оно указывается в процентах и его размер имеет большое значение. Идеальную форму и касание по всей эвольвенте могут иметь только нарисованные зубья. На практике они изготавливаются с погрешностью в несколько сотых долей мм. Во время работы узла под нагрузкой на эвольвенте появляются пятна в местах воздействия деталей друг на друга. Чем больше площадь на поверхности зуба они занимают, тем лучше передается усилие при вращении.
Все коэффициенты объединяются вместе, и в результате получается значение КПД редуктора. Коэффициент полезного действия выражается в процентах. Он определяется соотношением мощности на входном и выходном валах. Чем больше зацеплений, соединений и подшипников, тем меньше КПД.
Как узнать частоту вращения вала двигателя
Для определения частоты по первому способу вам потребуется обычный китайский стрелочный мультиметр (аналоговый, не электронный!).
Определять частоту нужно при положении переключателя мультиметра в режиме измерения тока (100мА). Далее подключаете измерительные щупы в соответствующие разъемы:
один в COM (общий)
другой в V, Ом, мА (замер напряжения, сопротивления, тока)

Вскрываете распредкоробку БРНО (блок расключения начала обмоток движка).
Обязательно отключаете питание и проверяете на клеммах отсутствие напряжения!
После этого одним щупом дотрагиваетесь до начала обмотки (любой), а другим до провода, являющегося концом этой же обмотки. Чтобы ничего не перепутать ориентируйтесь по обозначениям на бирках.
Вручную медленно проворачиваете вал на один оборот. В этот момент стрелка на мультиметре начнет отклоняться от своего нулевого значения.
Причем несколько раз. Вам нужно посчитать количество таких отклонений. Что это в итоге дает?
Дело в том, что количество отклонений на один оборот вала соответствует количеству полюсов и напрямую связано с синхронной частотой вращения двигателя (1500 об/мин, 3000 об/мин и т.д.)
Вот таблица такой зависимости:
Помимо такого простейшего есть и более технологичный способ определения частоты вращения вала.


















































