Почему запрещено буксировать авто с «автоматом»?
Среди автомобилистов принято считать, что нельзя буксировать автомобиль на автомате. Это так, но только отчасти. В отличие от механики, где при буксировке вхолостую крутится несколько шестерён, в автомате задействуются все механизмы, что может вызвать перегрев и поломку.
Поэтому специалисты утверждают, что буксировка авто с АКПП на одну ось в 25 км при скорости 50 км/ч не способно навредить. Потом надо сделать остановку на 1,5 часа для остывания агрегата и снова в дорогу. Кстати, если авто с приводом на заднюю ось, то достаточно просто убрать карданный вал. Если нет времени, то грузитесь частично: при переднем приводе – перед, а заднем – заднюю часть. Полноприводные авто вообще на буксире возить не следует, или же придётся снимать кардан. Либо полная погрузка на автоэвакуатор, что в итоге выйдет дешевле.
Лучше всего буксировать авто с АКПП с полной погрузкой
Как правильно переключать типтроник?

Все автомобили, оснащенные АКПП с типтроником, ничем не отличаются от обычной коробки-автомат:
— оснащены двумя педалями – тормоза и акселератора.
— имеют те же положения ручки акселератора – «D», «N», «R», «P».
— если эксплуатация машины осуществляется в обычном режиме «D», то все действия контролирует бортовой компьютер, но с помощью типтроника водитель имеет возможность при необходимости выбрать сам нужную передачу.
Как пользоваться типтроником? Осуществляется переключение с помощью рычага выбора диапазонов (РВД), когда он находится в режиме «D». В этот момент ручку следует перевести в специальный паз, имеющий обозначения «+» и «-». Для повышения передачи используется «+», а для понижения, соответственно, «-».
Выключение режима типтроник выполняется обратным перемещением рычага в положение «D». Все перемещения ручки отображаются на дисплее управления.
Некоторые модели автомобилей вместо специальной ниши на РВД оснащены «лепестком», который расположен на рулевом колесе. С его помощью осуществляется ручное управление, путем нажатия кнопок на нем. Для повышения передачи нужно тянуть правый рычажок «+» к рулю, для понижения – левый рычажок «-».
Если водитель продолжительное время не пользуется подрулевыми лепестками, бортовой компьютер сам переводит коробку в режим автомата. Если автомобиль тормозит, то система также автоматически понизит передаточное число.
Повторный старт будет происходить лишь на первой передаче. Это удобно на светофорах, так как не нужно постоянно задумываться о переключении скоростей, управляя машиной вручную. В режиме типтроник компьютер продолжает контролировать действия водителя, отменяя команды, которые способны нанести вред двигателю или коробке.
К примеру, если машина остановилась при включенной первой скорости, блок управления не даст заглохнуть мотору.
В некоторых автомобилях предусмотрены спортивная и зимняя программы. При использовании спортивной в режиме типтроник, ЭБУ позволяет водителю держать высокие обороты при каждой передаче. Это дает возможность получить максимальную отзывчивость автомобиля при ускорении и обгонах. Зимняя программа позволяет избежать пробуксовки на скользком дорожном покрытии.
Плюсы и минусы типтроника
Система типтроник завоевывает все большую популярность. На современных автомобилях почти повсеместно устанавливаются коробки-автомат с ручным управлением. Причиной этого являются следующие преимущества типтроника:
— водитель всегда имеет возможность перейти в ручной режим управления в экстренных ситуациях, например, при торможении двигателем, позволяя вручную понизить передачу. Это может помочь избежать заноса на скользкой трассе;
— системой удобно пользоваться при обгоне, не давая возможности автомату перейти на более высокую передачу;
— если автомобиль оснащен зимним режимом, то система типтроник дает возможность трогаться по скользкой дороге со второй передачи, тем самым позволяя избежать пробуксовки;
— хотя автоматические коробки не любят бездорожья, переключаясь в ручной режим управления, можно ездить по неровным дорогам, «сглаживая» некоторые неровности покрытия;
— все модели, имеющие типтроник, оснащены встроенной системой защиты, которая следит за ручным переключением и не допускает ситуаций, где возможно повреждение двигателя. На МКПП такая функция отсутствует;
— экономнее расход бензина по сравнению с обычной АКПП, хотя с механической коробкой бензина расходуется еще меньше;
— оптимальное решение для водителя, который хочет ездить на машине с автоматом, но иметь возможность ручного управления.
Давайте рассмотрим и обратную строну медали – недостатки типтроника:
— за счет добавления функции ручного управления увеличились размеры трансмиссии и ее вес;
— передачи переключаются с некоторой задержкой. Например, на автомобиле Ауди она составляет 0,1 секунды, а на Порше достигает 0,7 секунды.
Функция типтроник дает дополнительные возможности опытному водителю управлять динамикой автомобиля, при этом сохраняются все преимущества АКПП. Благодаря этому многие противники коробки-автомат стали её приверженцами.
Типтроник – плюсы и минусы
Типтроник позволяет объединить сильные стороны автоматических и механических КПП. Как и любая другая АКПП, типтроник обеспечивает автоматический выбор передач, соответствующих режиму езды. Для неопытных водителей, которые с трудом ориентируются в дорожной ситуации, эта функция будет очень полезной. Типтроник, как и АКПП, облегчает управление машиной во время городского движения, ведь водителю не приходится постоянно переключать передачи. При движении по трассе АКПП ничем не лучше МКПП, а в некоторых ситуациях автомат даже уступает механике.
Когда требуется быстро обогнать движущийся впереди транспорт, автоматическая коробка не всегда успевает вовремя переключиться, в результате передаточное число оказывается недостаточным и мотор не может обеспечить нужный разгон. На автомобилях с механической КПП водитель заранее включает пониженную передачу, в результате чего двигатель придает автомобилю необходимое ускорение. Еще одно преимущество механики перед автоматами – меньший расход топлива, разница достигает 20%. Это вызвано тем, что водитель учитывает большее количество факторов, чем автомат, поэтому может точнее выбирать передачи.
Типтроник позволяет реализовать оба этих преимущества в автомобилях с автоматической КПП. При необходимости водитель сможет включить пониженную передачу и провести быстрый обгон, а также может самостоятельно выбирать передаточное число и режим работы мотора, благодаря чему снизится расход топлива.
Типтроник и ее основная функция

Селектор Tiptronic
Термин «Типтроник» имеет двойственное значение. С одной стороны, это название торгового бренда, зарегистрированного в 1989 году и принадлежащего производителю спортивных автомобилей Porshe. С другой – это коробка автомат, сочетающая функции автоматической КПП с ручным управлением.
Изначально система Типтроник была создана для автоспорта с целью обеспечения быстрого переключения передач за счет того, что селектор управления имеет минимальный ход.
Заблуждением является мнение, что понятие «Типтроник» обозначает отдельную конструкцию АКПП, включающую функцию ручного переключения передач. Типтроник является только функцией автомата, которая предназначена для контроля динамики автомобиля в различных режимах работы двигателя. Для классической автоматической трансмиссии это недоступно.
С начала 2000-х годов в автомобильной промышленности коробка Tiptronic стала получать широкое распространение.

Первый «Типтроник» в разрезе
Сегодня этот термин стал нарицательным в связи с использованием АКПП с типтроником в автомобилях многих производителей. В настоящее время под этой коробкой может подразумеваться любая КПП с возможностью имитации ручного управления. С другой стороны, не каждая коробка автомат с возможностью ручного переключения передач копирует разработку Porsche и подпадает под условия товарного знака Tiptronic.
Сегодня АКПП с функцией Типтроник используется в следующих автомобилях:
1. Концерн Volkswagen:
- Audi;
- VW;
- Skoda;
- Seat;
- Porshe.
2. BMW – здесь данная функция носит несколько иное название – Стептроник.
Такая же функция ручного переключения используется в роботизированных КПП DSG и S-Tronic, а также в вариаторе Multitronic.

Схема АКПП Tiptronic от ZF
Чем хорош Tiptronic
Плюсы Типтроника очевидны. Для человека, который владеет искусством управления механической ручной коробкой передач в совершенстве, Tiptronic едва ли будет особенной ценностью. Конечно, в том случае, если драйверские повадки не отравлены автоматом. В остальных случаях эта система позволит сохранить все прелести, комфорт и плавность переключения АКПП, при этом можно будет одним движением руки запретить электронике переключаться на повышенную передачу. Это необходимо при затяжном обгоне, при торможении двигателем, особенно на скользкой дороге. Судя по отзывам, Tiptronic помогает здорово экономить топливо, а также система будет полезной при проезде бездорожья, когда ручного управления КПП не избежать.
Пожалуй, у Tiptronic можно найти и минусы. В первую очередь это касается сложности конструкции, которая затрудняет ремонт, обслуживание, замену масла, а некоторых слесарей вводит в состояние глубокого ступора. К тому же система существенно влияет на цену автомобиля в целом. На массе АКПП Типтроник практически не сказывается, но удовольствие от вождения он гарантирует. К тому же, если захочется автопилота, всегда можно перейти в автоматический режим, тогда умная АКПП все сделает вместо водителя. Тем не менее надо помнить и о том, что Tiptronic — это далеко не механика и в отличие от нее, задержка в переключении передач будет неизбежно.
Разновидности КПП
В настоящее время понятие автоматической коробки передач стало несколько шире, поскольку существует много ее видов. Остановимся на двух из них: классика и Типтроник.
Классическая автоматическая коробка передач
Классическая коробка автомат
Если не вдаваться в подробности, то автоматической коробкой передач называется такая КПП, в которой скорости переключаются автоматически без участия водителя. Но, в соответствии с общепринятой инженерной терминологией, АКПП — это лишь планетарная часть системы, которая осуществляет переключение скоростей.
Типтроник
Типтроник — это та же автоматическая коробка передач, в которой предусмотрена возможность переключения передач, как в механической. Впервые была установлена на автомобиле Porsche 911 в 1990г., а несколькими годами позже ими начали оборудовать автомобили БМВ, Фольксваген, Ауди и другие. В обычном режиме коробка работает, как самая обычная АКПП, но в случае необходимости в любой момент может быть переключена на механический режим. Данная функция дает возможность обойти компьютер и перейти на непосредственное ручное управление трансмиссией.
Многие водители считают, что это не самостоятельный вид коробок передач, а только дополнительная функции автоматической.
Типтроник — лучший вариант для тех автолюбителей, которые желают соединить комфорт управления автомобилем в режиме АКПП и спортивную манеру езды.
Коробка Типтроник
В и функционирует коробка этого типа очень мягко, какие-либо рывки исключены. На скоростях выше 1-й гидравлический трансформатор блокируется, что обеспечивает передачу вращающего момента фактически без каких-либо потерь. Специальная программа может анализировать дорогу, температуру за бортом, мотора и коробки, подстраивается под ваш личный стиль управления автотранспортным средством, вычисляя таким образом лучшее время для переключения.
В случае если вы предпочитаете ручное переключение скоростей, то вам достаточно всего лишь одного касания к рычагу, для того, чтобы перевести его вперед на повышенную скорость либо назад — на пониженную. Вам не нужно выжимать педаль сцепления и утраты тяговой силы происходить не будет. Переключения скоростей в ручном режиме отличается безопасностью, так как любые ошибочные переключения будут заблокированы. В случае торможения нет необходимости в переключении рычага — коробка сама перейдет на низкую передачу и затем стартует с 1-й скорости.
Предусмотрена возможность спортивной или зимней езды. В случае если будет выбран спортивный режим, то электроника дает возможность поднять обороты мотора до верхнего диапазона, при этом автомобиль становится более отзывчивым во время обгонов или в случае ускорения.
В зимнем режиме предусмотрена так называемая антипробуксовка на скользкой трассе, трогание будет проходить со 2-й передачи, а переключение передач будет не только ранним, но и более плавным.
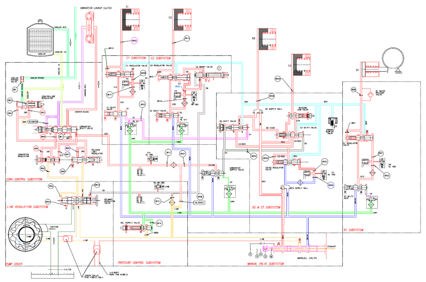
Устройство автоматической трансмиссии

Схема АКПП
Устройство АКПП достаточно сложное и состоит из следующих основных элементов:
- гидротрансформатор;
- планетарный механизм;
- блок управления АКПП (TCU);
- фрикционные муфты;
- обгонная муфта;
- гидроблок;
- ленточный тормоз;
- масляный насос;
- корпус.
Гидротрансформатор представляет собой корпус, заполненный специальной рабочей жидкостью ATF, и предназначен для передачи крутящего момента от двигателя к коробке передач. Фактически он заменяет сцепление. В его состав входят насосное, турбинное и реакторное колеса, блокировочная муфта и муфта свободного хода.
Колеса оснащены лопастями с каналами для прохода рабочей жидкости. Блокировочная муфта необходима для блокировки гидротрансформатора в конкретных режимах работы автомобиля. Муфта свободного хода (обгонная муфта) необходима для вращения реакторного колеса в противоположную сторону. Более подробно про гидротрансформатор можно почитать здесь.
Планетарный механизм АКП включает в себя планетарные ряды, валы, барабаны с фрикционными муфтами, а также обгонную муфту и ленточный тормоз.
Механизм переключения скоростей в АКПП достаточно сложен, и, по сути дела, работа трансмиссии состоит в выполнении некоторого алгоритма включения и выключения муфт и тормозов посредством давления жидкости.
Планетарный ряд, точнее блокировка одного из его элементов (солнечная шестерня, саттелиты, коронная шестерня, водило), обеспечивает передачу вращения и изменение крутящего момента. Элементы, входящие в планетарный ряд, блокируются при помощи обгонной муфты, ленточного тормоза и фрикционных муфт.

Пример гидравлической схемы АКПП
Блок управления АКПП может быть гидравлическим (уже не применяется) и электронным (ЭБУ АКПП). Современная гидромеханическая трансмиссия оснащается только электронным блоком управления. Он обрабатывает сигналы датчиков и формирует управляющие сигналы на исполнительные устройства (клапаны) гидроблока, обеспечивающие работу фрикционных муфт, а также управляющие потоками рабочей жидкости. В зависимости от этого жидкость под давлением направляется в ту или иную муфту, включая определенную передачу. TCU также управляет блокировкой гидротрансформатора. При неисправности блок TCU обеспечивает функционирование КПП в «аварийном режиме». Селектор АКПП отвечает за переключение режимов работы КПП.
В автоматической коробке применяются следующие датчики:
- датчик частоты вращения на входе;
- датчик частоты вращения на выходе;
- датчик температуры масла АКПП;
- датчик положения рычага селектора;
- датчик давления масла.
Подробнее про датчики АКПП можно почитать тут.
История
Термин «Tiptronic», является товарным знаком компании Porsche, но со временем стал нарицательным. В 1990 году немецкий производитель элитных спортивных автомобилей Porsche запатентовал технологию собственной разработки, которая была разработана для третьего поколения легендарной модели 911. Технология представляла собой 4-ступенчтую гидромеханическую автоматическую коробку передач с электронным управлением. Название «Tiptronic» было придумано для обозначения одной из ее функций – а именно возможности ручного переключения передач.
Технология возымела успех среди клиентов компании, поэтому Tiptronic сохранился в неизменном виде до 1998 года, до конца выпуска четвертой генерации 911-ой. Система подверглась незначительным изменениям, и сегодня, такой коробкой оборудуется уже не только 911-ая, но им модели Cayenne и Panamera.
Практически одновременно с Porsche разработки в этом направлении велись и другим производителем – американским Chrysler. Однако если немецкая компания старалась за счет типтроника сделать свои автомобили с «автоматом» более спортивными, то Chrysler преследовал другие цели — экономию топлива. Соответственно, и подходы у разработчиков были разные. Американцы добавили в механическую коробку передач элементы автоматической, в то время как немцы взяли «автомат» и добавили в него элементы ручной коробки. То, что нарицательным стало название «Tiptronic», а не другое, доказывает, что подход немцев оказался успешнее. Позже многие автопроизводители переняли эту технологию и широко применяют ее на своих моделях под другими названиями. К примеру, на автомобилях марки BMW подобная система называется Steptronic.
В автоспорте похожая система появилась немногим раньше — в 1989 году. Болид Ferrari F-640 пилота Формулы-1 Найджела Мэнселла оборудовали полуавтоматической коробкой передач с подрулевыми лепестками-переключателями. Таким образом, пилот получил возможность использовать в гонке только две педали – газ и тормоз, за исключением старта с места, когда необходимо включить сцепление.
Интересный факт: алгоритм переключения передач в гоночных автомобилях следующий – повышенная передача включается при толчке рычага в заднее положение, а пониженная – толчком рычага вперед. При этом типтроник устроен иначе: переднее положение включает повышенную передачу, а заднее – пониженную.
Что такое коробка передач Типтроник
По сути — это интеллектуальная трансмиссия, механизм которой позволяет переключать передачи как ручным, так и автоматическим способом. Старт и последующее переключение на высшую или низшую передачу происходит плавно, без явных рывков и дёрганий.
Когда Типтроник переведён в режим «Автомат», то он действует, как полноценная автоматическая коробка передач. Чтобы перевести систему в режим ручного управления, необходимо воспользоваться рычагом — переключателем и перевести его в положение «+» и «-». Теперь для повышения передачи достаточно просто наклонить рычаг в сторону отметки «+», чтобы снизить, отметку «-». Управление просто и интуитивно понятно. Езда с комфортом и большим запасом тяги, при умелом обращении. Хотя, некоторые владельцы технических средств до сих пор считают, что Типтроник создан для боягузов. Нет, это вовсе не так. Именно этот тип и используется настоящими экстремалами за счёт встроенной функции «Kick Down», но об этом позже.
Современные автомобили оснащены так зваными «лепестками» — аналогами штатного рычага коробки передач. Просто так удобнее и практичнее. Реакция на использование намного быстрее, нежели кулисный вариант. Начиная с 2007 года в механизм Tiptronic активно внедряют «спортивный характер». Некоторые наработки в этом направлении уже дали свои положительные результаты на ряде немецких и японских марок. Теперь, когда имеете общее представление о том, что такое коробка передач Типтроник, необходимо рассмотреть конструкцию основной автоматической трансмиссии.
Коробка автомат: общее понятие принципа действия и разновидности
На примере Ауди А6 рассмотрим строение классической конструкции коробки автомат:
- фланец карданного вала;
- раздаточная коробка с межосевым дифференциалом;
- пакет фрикционов;
- масляный насос;
- входной вал автомата;
- главная передача;
- фланец осевой;
- вторичный вал АКПП.
Модифицированный вариант автоматического типа — вариатор, который призван плавно передавать вращательный момент от силового агрегата к колёсам транспортного средства. При этом должны изменяться данные коэффициента передаточного усилия.
Современные вариаторы имеют конструкцию:
- торового типа;
- клиноременный.
Основу клиноременного варианта составляют два шкива, состоящих из двух половинок каждый. Один шкив установлен на моторе, второй на полуосевом механизме. Передавая вращательное движение друг к другу, автомобиль движется. Чем ближе сошлись шкивы, тем большее усилие необходимо приложить клиновидному ремню для передачи момента и наоборот. Главное условие прохождения процесса — плавность.

Как пользоваться типтроником на автоматической коробке передач
Пользоваться АКПП с типтроником несложно, поскольку она, как и на классическом автомате, имеет рычаг управления с аналогичным сектором и точками фиксации для автоматического режима:
- «Р» означает парковку;
- «N» — нейтрал;
- «R» — задний ход;
- «D» — драйв, движение вперед.
Для перехода на ручное управление, напротив «D13.12.2018» вырезан паз с обозначениями «+» и «-». Нефиксированное движение рычагом в сторону «+» повышает передачу, а к «-» — уменьшает. Работа в ручном режиме не исключает контроль со стороны бортового компьютера за действиями водителя, которые могут навредить двигателю и АКПП, и отключает эти команды. Для перевода в обычных режим, ручка возвращается в положение «D».
На некоторых автомобилях управление типтроником дублируется лепестком на руле с такими же символами «+» и «-», нажатие на который сразу переводит коробку на ручной режим, без изменения положения рычага. По завершении работы в нем, компьютер сам переходит на автоматическое управление.

Многие модели авто снабжены дополнительными функциями спортивного и зимнего режимов. Первый позволяет быстрее ускориться при обгоне, второй – зимой, в гололед трогаться сразу со второй скорости.
Исходя из анализа возможностей существующих на сегодня коробок-автоматов, можно с полной уверенностью заключить, что гидротрансформаторная АКПП с типтроником наиболее надёжная и усовершенствованная.
Принцип работы коробки передач Типтроник
Главным отличием Tiptronic от аналогичных автоматических моделей является возможность управления трансмиссией напрямую. При этом присутствует функция передачи бортовому компьютеру контроля за переключением скоростей, как в АКПП.

Почему так популярная коробка передач Типтроник, что это такое и как функционирует? Для ответа на эти вопросы необходимо разобраться с принципом работы и устройством. Главным конструкционным отличием является встроенный блок, позволяющий осуществлять переключение вручную. Но в отличие от механических аналогов это происходит не напрямую, а с помощью специального модуля. В режиме автоматической работы смена передач выполняется компьютерной системой. При смещении рычага в режим «Tiptronic» изменение делается вручную.
Существует два способа переключения скоростей в автомобиле:
- С помощью рычага. Его необходимо установить в боковой паз, предварительно нажав предохранительную кнопку. Для активации повышенной передачи смещение выполняется в сторону «+», для понижения к «-»;
- «Лепестки» под рулевым колесом. При активации одного из них компьютер переключит работу КПП в ручное управление. Если длительное время команды не будут поступать на изменение скоростей – система перейдет в автоматический режим работы.
Так как ездить на Типтронике достаточно просто – многие автоконцерны предлагают опцию класса «Спорт» по умолчанию или в качестве дополнительной. Но перед этим необходимо выяснить нюансы управления машиной с этой КПП.
Плюсы и минусы системы
- Водитель всегда имеет возможность перейти в ручной режим управления в экстренных ситуациях, например, при торможении двигателем, позволяя вручную понизить передачу. Это может помочь избежать заноса на скользкой трассе.
- Системой удобно пользоваться при обгоне, не давая возможности автомату перейти на более высокую передачу.
- Если автомобиль оснащен зимним режимом, то система типтроник дает возможность трогаться по скользкой дороге со второй передачи, тем самым позволяя избежать пробуксовки.
- Хотя автоматические коробки не любят бездорожья, переключаясь в ручной режим управления, можно ездить по неровным дорогам, «сглаживая» некоторые неровности покрытия.
- Все модели, имеющие типтроник, оснащены встроенной системой защиты, которая следит за ручным переключением и не допускает ситуаций, где возможно повреждение двигателя. На МКПП такая функция отсутствует.
- Экономнее расход бензина по сравнению с обычной АКПП, хотя в механической коробке бензин расходуется меньше.
- Оптимальное решение для водителей, кто хочет ездить на машине с автоматом, но иметь возможность ручного управления.
- Несмотря на дополнительную функцию, стоимость автомобиля не увеличилась.
Коробкам с типтроником присущи недостатки. За счет добавления функции ручного управления увеличились размеры трансмиссии и ее вес. Передачи переключаются с некоторой задержкой. Например, на автомобиле Ауди она составляет 0,1 секунды, а на Порше достигает 0,7 секунды.
Функция типтроник дает дополнительные возможности опытному водителю управлять динамикой автомобиля, при этом сохраняются все преимущества АКПП. Благодаря этому многие противники коробки автомат стали ее приверженцами.
Как правильно использовать типтроник
Включить функцию ручного переключения можно несколькими способами:
- Передвинуть рычаг КПП вправо, после чего, этим же рычагом можно двигать вперед-назад, там еще будут нарисованы + и -, которые соответствуют повышенной и пониженной передаче. Такие ручные переключения хорошо будут работать, если автомобиль будет ехать на скорости, причем система позволит переключить передачу вниз только в том случае, если обороты мотора будут в допустимых пределах, чтобы двигатель не насиловать.
- Использовать подрулевые лепестки, на которых нарисованы + и -, они также позволяют включить повышенную или пониженную передачи, если не использовать эти кнопки, то система будет работать в автоматическом режиме, как обычная коробка автомат. Надеюсь, как пользоваться типтроником теперь стало понятно.
Рекомендуемая статья: Расход топлива Mazda CX 7 не такой большой и не превышает 15 л
Обслуживание и увеличение срока эксплуатации
Коробка типтроник – отличное решение для автомобилистов, предпочитающих активное вождение. Однако злоупотреблять этим параметром и постоянно нагружать автомобиль не следует. Нередко после резких обгонов и поворотов трансмиссия ломается.
Чтобы автомобиль работал долго и исправно, ему требуется качественное топливо. Никаких низкосортных типов бензина и масел, наполовину разбавленных водой. Все это снижает срок службы элементов АКПП и двигателя.
Важное правило обслуживания – регулярное посещение СТО и выполнение плановых осмотров. Большинство неисправностей невозможно заметить в условиях собственного гаража
А исправить поломки, как следует, не получится из-за отсутствия профессионального оборудования.
Совет! Внимательно читайте инструкцию по эксплуатации автомобиля и строго соблюдайте требования производителя, и тогда машина прослужит очень долго.
При появлении первых «симптомов» износа типтроника нужно обращаться в сервисный центр за диагностикой. Специалисты выявят неисправность коробки и помогут ее устранить.
Масло для заливки в типтроник
Масло для коробки типтроник нужно выбирать, исходя из рекомендаций производителя автомобиля. Главные отличия заключаются в температуре кипения жидкости, а также в его вязкости. Общим параметром для любой КПП будет периодичность замены – не позднее 80 тыс. км пробега. Однако водители советуют менять жидкость уже после 40-50 тыс. км. Если вы сомневаетесь в рекомендациях, либо нет возможности изучить инструкцию к транспортному средству, следует получить консультацию в сервисном центре. Замену масла в коробке тоже лучше доверять специалистам, так как нарушение технологии или использование неподходящего продукта может привести к преждевременному износу.
Коробка tiptronic – это ступень эволюции автомобилей, которая смогла объединить преимущества автоматов и механики, избавившись от части их минусов. Однако при выборе транспортного средства с этой функцией необходимо учитывать существующие ограничения. Если авто с коробкой типтроник покупает пользователь, который раньше ездил только на механике, ему понравится наличие функции самостоятельного контроля скоростей
Также важно помнить, что коробка нуждается в грамотном обслуживании и постоянном уходе – для этого необходимо внимательно изучить инструкцию по эксплуатации
Если вы нашли ошибку, пожалуйста, выделите фрагмент текста и нажмите Ctrl+Enter.
Метки: tiptronic, типтроник















































